Texas Instruments bq51013C/bq51013C-Q1 Wireless Qi Power Supplies
Texas Instruments bq51013C/bq51013C-Q1 Wireless Receiver Qi (WPC v2.0) Compliant Power Supplies are single-chip, advanced, flexible, secondary-side devices for wireless power transfer in portable applications delivering up to 5W. The bq51013C/bq51013C-Q1 offers the receiver (RX) AC-to-DC power conversion and regulation while integrating the digital control needed to comply with the Wireless Power Consortium (WPC) Qi v2.0 communication protocol. Combining the bq500212A primary-side controller (or other Qi transmitter) and the bq51013C/bq51013C-Q1 allows a complete contactless power transfer system for a wireless power supply solution. Global feedback is specified from the secondary to the primary to control the power transfer process utilizing the Qi v2.0 protocol.The TI bq51013C/bq51013C-Q1 integrates a low-resistance synchronous rectifier, low-dropout regulator (LDO), digital control, and accurate voltage and current loops to guarantee high efficiency and low power dissipation.
The bq51013C-Q1 devices are AEC-Q100 qualified for automotive applications.
Features
- Qualified for automotive applications (bq51013C-Q1)
- AEC-Q100 qualified with the following results - device temperature grade 1 of -40°C to +125°C ambient operating temperature
- Integrated wireless power supply receiver solution
- 93% overall peak AC-DC efficiency
- Full synchronous rectifier
- WPC v2.0 compliant communication control
- Output voltage conditioning
- Only IC is required between the Rx coil and the output
- Dynamic rectifier control for improved load transient response
- Wireless power consortium (WPC) v2.0 compliant (FOD enabled) highly accurate current sense
- Dynamic efficiency scaling for optimized performance over a wide range of output power
- Adaptive communication limit for robust communication
- Supports 20V maximum input
- Low-power dissipative rectifier overvoltage clamp (VOVP = 15V)
- Thermal shutdown
- Multifunction NTC and control pin for temperature monitoring, charge complete, and fault host control
Applications
- WPC v2.0 compliant receivers
- Passive entry passive start (PEPS)
- Ultrasound smart probe
- Cell phones and smartphones
- Headsets
- Handheld devices
Wireless Power System Overview
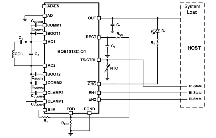
Simplified Schematic
Additional Resources
發佈日期: 2024-10-29
| 更新日期: 2025-05-09
