Texas Instruments ISO1042及ISO1042-Q1隔離式CAN收發器
Texas Instruments ISO1042及ISO1042-Q1隔離式CAN收發器是符合ISO11898-2 (2016)標準規範的電隔離式控制器局域網(CAN)收發器。ISO1042/Q1提供±70VDC匯流排故障保護及±30V共模電壓範圍。該裝置在CAN FD模式下支援高達5Mbps的資料傳輸率,與經典CAN相比,允許更快的有效載荷傳輸。ISO1042/Q1採用二氧化矽(SiO2)絕緣柵,具有5000VRMS耐壓及1060VRMS工作電壓。電磁相容性已得到顯著增強,以達到系統級ESD、EFT、浪湧及排放合規性。該裝置與隔離式電源一起使用,可防止高壓,並防止來自匯流排的雜訊電流進入本地接地。ISO1042/Q1具有基本和強化隔離型號。特點
- 符合ISO 11898-2:2016及ISO 11898-5:2007物理層標準
- 支援最高1Mbps的經典CAN及最高5Mbps的FD(靈活資料傳輸率)
- 低環路延遲:152ns
- 保護功能
- 直流匯流排故障保護電壓:±70V
- 匯流排引腳上的HBM ESD公差:±16kV
- 驅動器主超時(TXD DTO)
- VCC1及VCC2欠壓保護
- 共模電壓範圍:±30V
- 理想的無源高阻抗匯流排終端(無電源時)
- 高CMTI:100kV/µs
- VCC1電壓範圍:1.71V至5.5V
- 支援與CAD控制器的1.8V、2.5V、3.3V及5.0V邏輯介面
- VCC2電壓範圍:4.5V至5.5V
- 穩健的電磁相容性(EMC)
- 系統級ESD、EFT和浪湧免疫
- 低排放
- 環境溫度範圍:-40°C至+125°C
- 16-SOIC及8-SOIC封裝選項
- 安全相關認證
- 符合DIN V VDE V 0884-11的7071VPK VIOTM and 1500VPK VIORM(加強型及基本選項)
- 符合UL 1577的1分鐘5000VRMS隔離
- IEC 60950-1、IEC 60601-1及EN 61010-1認證
- CQC、TUV及CSA認證
- 所有計劃認證
應用
- 交流和伺服驅動器
- 太陽能逆變器
- PLC及DCS通訊模組
- 電梯及升降機
- 工業電源
- 電池充電及管理
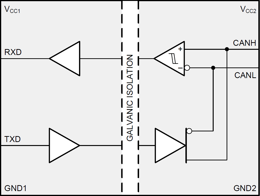
功能結構圖
發佈日期: 2018-10-31
| 更新日期: 2023-07-18
