Texas Instruments ISO1044B隔離CAN FD收發器
Texas Instruments ISO1044B隔離CAN FD收發器是一款符合ISO11898-2 (2016)標準規格的絕緣控制器區域網路(CAN)收發器,其提供±58V DC匯流排故障保護和±12V的共模電壓範圍。裝置在CAN FD模式下支援最高5 Mbps的資料傳輸速率,與傳統的CAN相比,酬載傳輸速度要快得多。本裝置使用具有3000 VRMS耐電壓和450 VRMS作業電壓的二氧化矽(SiO2)隔離障壁。裝置的電磁相容性明顯增強,可實現系統層級ESD、EFT、突波和輻射合規性。與隔離式電源供應器一起使用時,本裝置可防止高電壓,並防止匯流排產生的雜訊電流進入本地接地。Texas Instruments ISO1044B支援-40°C至+125°C的寬環境溫度範圍,採用小尺寸的SOIC-8 (D)封裝,與使用光耦合器隔離CAN收發器的傳統方法相比,可顯著縮小解決方案尺寸。特點
- 符合ISO 11898-2:2016實體層標準
- 支援速度高達1 Mbps的傳統CAN和高達5 Mbps的FD(彈性資料傳輸速率)
- 保護功能
- ±58V DC匯流排故障保護電壓
- ±8kV匯流排腳位IEC ESD容許值
- ±10kV匯流排腳位HBM ESD容許值
- 驅動器主控逾時(TXD DTO)
- VCC1 and VCC2的欠壓保護
- ±12V共模電壓範圍
- 未供電時為理想的被動高阻抗匯流排端子
- 85 kV/µs高CMTI最小值
- 1.71V至5.5V VCC1電壓範圍
- 支援連接至CAN控制器的1.8V、2.5V、3.3V和5.0V邏輯介面
- 4.5V至5.5V VCC2電壓範圍
- 可靠的電磁相容性(EMC)
- 系統層級ESD、EFT與突波抗擾性
- 低輻射
- -40°C至+125°C環境溫度範圍
- 8-SOIC封裝
- 安全相關認證
- 計劃完成所有認證
- VDE強化隔離,符合DIN VDE V 0884-11:2017-01
- UL 1577元件認可計畫
- 符合IEC 60950-1、IEC 62368-1、IEC 61010-1和GB 4943.1-2011認證
應用
- AC和伺服驅動器
- 太陽能逆變器
- PLC與DCS通訊模組
- 電梯及手扶梯
- 工業電源供應器
- 電池充電與管理
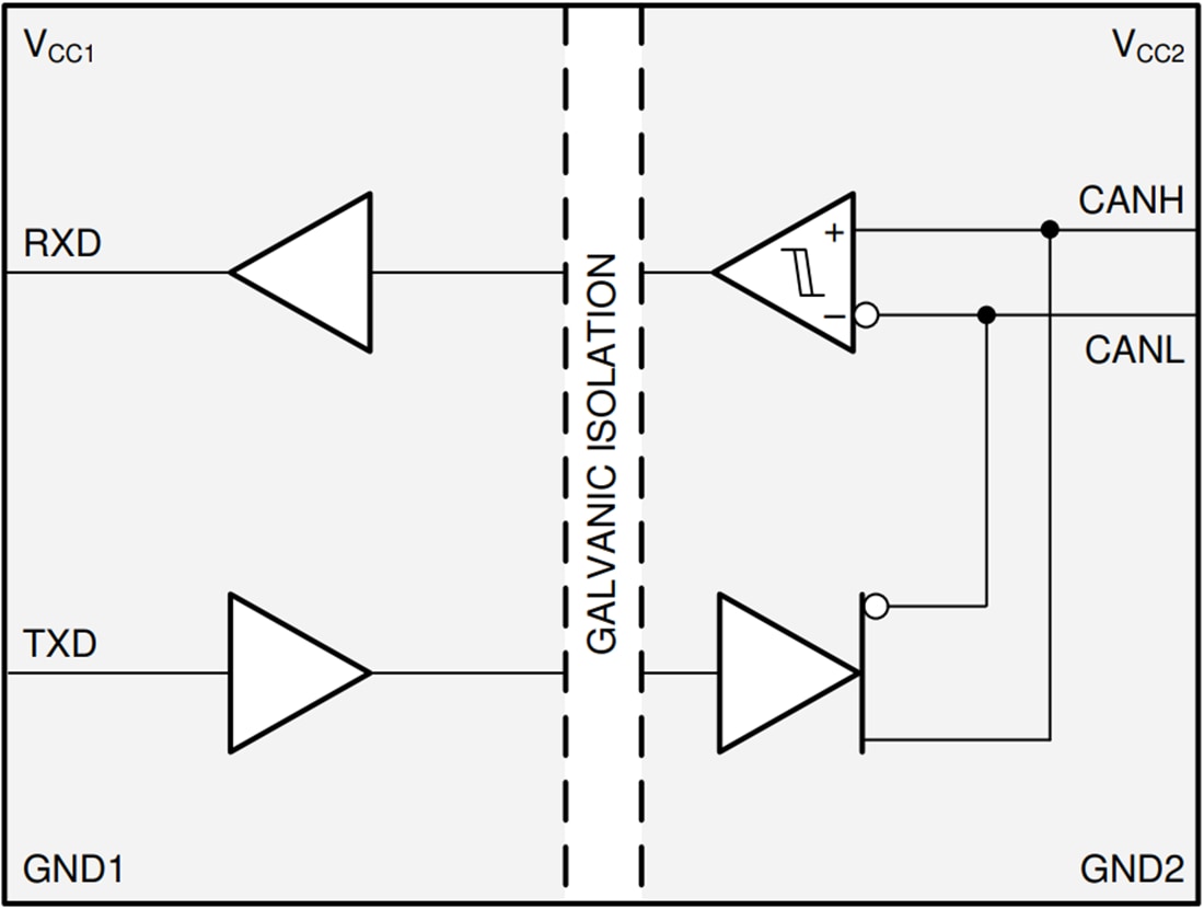
功能方塊圖
發佈日期: 2020-08-07
| 更新日期: 2024-07-29
