Texas Instruments ISO5852S/ISO5852S-Q1 IGBT MOSFET Gate Drivers

Texas Instruments ISO5852S/ISO5852S-Q1 IGBT
MOSFET閘極驅動器

Texas Instruments ISO5852S/ISO5852S-Q1 IGBT MOSFET閘極驅動器是一款5.7kVRMS加強隔離閘極驅動器,適用於IGBT和MOSFET,具備分離輸出以及2.5A源極和5A汲極電流。輸入端可用2.25V至5.5V的單一供電運作,輸出端可供應最小15V至最大30V的電壓範圍。兩個輔助CMOS輸入用於控制閘極驅動器的輸出狀態。極短的76ns傳播時間確保準確控制輸出級。其典型應用包含工業馬達控制驅動器和電源供應器、太陽能逆變器、HEV與EV電源模組、感應加熱等採用的隔離IGBT和MOSFET驅動器。ISO5852S-Q1裝置符合AEC-Q100汽車應用標準。

產品特色
  • VCM = 1500V下,最小共模瞬態抗擾性 (CMTI) 為100kV/µs
  • 分離輸出,可提供2.5A尖峰源極和5A尖峰汲極電流
  • 短傳播延遲:76ns(典型值),110ns(最大值)
  • 2A主動式米勒箝位
  • 輸出短路箝位
  • 短路軟關閉 (STO)
  • 去飽和偵測的故障警報透過FLT傳送,並透過RST重置
  • 輸入與輸出欠壓鎖定 (UVLO),Ready (RDY) 腳位顯示
  • 主動式輸出下拉特性,在低供電或浮動輸入時預設輸出低電平
  • 2.25V至5.5V輸入供應電壓
  • 15V至30V輸出驅動器供應電壓
  • CMOS相容輸入
  • 20ns內抑制輸入脈衝和雜訊瞬態
  • 作業溫度:-40°C至125°C環境溫度
  • 突波抗擾性12800-VPK(符合IEC 61000-4-5標準)

  • 安全和法規認證
    • 8000-VPK VIOTM和2121-VPK VIORM強化隔離,符合DIN V VDE V 0884-10 (VDE V 0884-10):2006-12標準
    • 5700-VRMS隔離可達1分鐘,符合UL 1577標準
    • CSA元件認可通知5A,IEC 60950-1、IEC 60601-1和IEC 61010-1終端設備標準
    • 符合GB4943.1-2011標準,取得CQC認證
    • 計劃完成所有認證

應用
  • 以下設備內的隔離IGBT和MOSFET驅動器:
  • 工業馬達控制驅動器
  • 工業電源供應器
  • 太陽能逆變器
  • HEV與EV功率模組
  • 感應加熱

ISO5852SEVM加強隔離IGBT閘極驅動器EVM

Texas Instruments ISO5852SEVM加強隔離IGBT閘極驅動器評估模組 (EVM) 專為協助評估ISO5852S的功能所設計。評估模組可讓設計人員評估裝置的AC和DC效能,使用預先插入的1nF負載,或使用者自行安裝的IGBT,IGBT可用標準TO-247或TO-220封裝。

產品特色
  • 具備2.5A源極和5A汲極電流的加強隔離IGBT閘極驅動器
  • 極短的傳播時間,確保準確控制輸出級
  • 輸入端可用2.25V至5.5V的單一供電運作
  • 輸出端可供應最小15V至最大30V的電壓範圍
  • 2A米勒箝位、輸出短路箝位、去飽和故障警報、輸入與輸出欠壓鎖定,含Ready腳位顯示

  • 分離輸出、主動式輸出下拉和預設低輸出狀態
  • DESAT時偵測閘極驅動器的低供電或浮動輸入
  • CMOS相容輸入

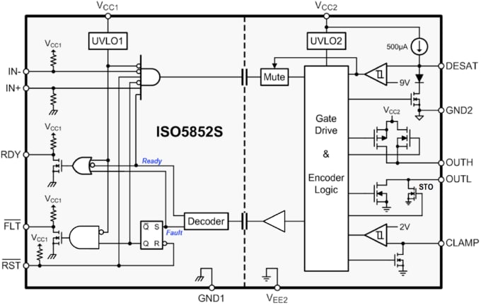
功能方塊圖
Functional Block Diagram
eNews
  • Texas Instruments
發佈日期: 2015-11-19 | 更新日期: 2025-06-06