Texas Instruments ISOW774x/ISOW774x-Q1 Quad-Ch數碼隔離器
Texas Instruments ISOW774x/ISOW774x-Q1四通道數碼隔離器具有電隔離性,具有可產生低輻射的整合式高效功率轉換器。整合式DC-DC轉換器支援高達550mW的隔離式功率,無需在空間受限的設計中單獨的隔離電源。TI ISOW774x/ISOW774x-Q1四通道數碼隔離器具有高電磁抗擾性,同時隔離CMOS或LVCMOS數碼I/O。該隔離器有助於防止數據匯流排上的雜訊電流,例如UART、SPI、RS-485、RS-232、CAN或其他電路,從而進入本地接地並干擾或損壞敏感電路。ISOW774x/ISOW774x-Q1採用20引腳SOIC寬體(SOIC-WB) DFM封裝,可在–40°C至+125°C的寬操作環境溫度範圍內運行。特點
- 符合汽車應用標準
- 符合AEC-Q100標準,結果如下:
- 裝置溫度1級,適用於介於-40°C至+125°C之間的環境溫度範圍
- 低輻射、低雜訊的整合式DC-DC轉換器
- 輻射經過最佳化,符合CISPR 32和EN 55032 Class B標準,在2層電路板上的餘量>5 dB
- 25 MHz的低頻功率轉換器,可實現低雜訊效能
- 低輸出漣波:24 mV
- 高效輸出功率
- 最高負載下,效率為46%
- 最高0.55W輸出功率
- VISOOUT準確度為5%
- 5V至5V:最高可用負載電流 = 110 mA
- 5V至3.3V:最高可用負載電流 = 140 mA
- 3.3V至3.3V:最高可用負載電流 = 60 mA
- 通道隔離器和電源轉換器的獨立電源供應
- 邏輯供應電壓 (VIO):1.71V至5.5V
- 電源轉換器供應電壓 (VDD):3V至5.5V
- 資料傳輸速率:100 Mbps
- 可靠的電磁相容性 (EMC)
- 系統層級ESD、EFT與突波抗擾性
- 隔離障壁具備±8 kV IEC 61000-4-2接觸放電保護
- 強化與基本隔離選項
- 高CMTI:100KV/µs(典型值)
- 安全相關認證(已規劃):
- VDE強化與基本隔離,符合DIN VDE V 0884-11:2017-01
- UL 1577元件認可計畫
- 符合IEC 62368-1、IEC 61010-1、IEC 60601-1和GB 4943.1-2011認證
- 寬廣的溫度範圍:-40°C至+125°C
- 20腳位寬體SOIC封裝
應用
- 工廠自動化
- 馬達控制
- 電網基礎架構
- 醫療設備
- 測試與測量
影片
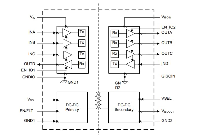
簡化示意圖
產品資料
發佈日期: 2022-03-31
| 更新日期: 2023-05-17
