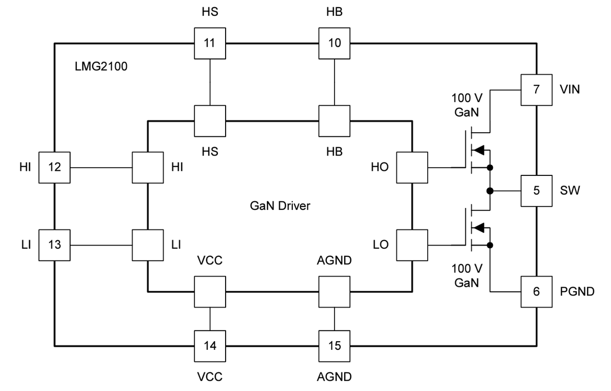
TI LMG2100R026功率級採用7.0mm x 4.5mm x 0.89mm無鉛封裝,可輕鬆地安裝在PCB上。TTL邏輯相容輸入可支援3.3V和5V邏輯電平,不論VCC電壓為何。專有的自啟動電壓箝位技術可保證增強模式GaN FET的閘極電壓在安全工作範圍內。該器件擴展了分立式GaN FET的優點,允許更友好的用戶介面。對於需要在小尺寸內進行高頻、高效率操作的應用,該器件是理想的解決方案。
特點
- 整合式半橋GaN FET和驅動器
- 93V連續、100V脈衝電壓額定值
- 最佳化封裝,方便PCB佈局
- 高壓擺率開關,低振動
- 5V外部偏置電源
- 支援3.3V和5V輸入邏輯電平
- 閘極驅動器可達10MHz開關速度
- 低功耗
- 優異的傳播延遲 (33ns典型值) 與匹配度 (2ns典型值)
- 內部啟動電源電壓箝位以防止GaN FET過度驅動
- 用於鎖定保護的電源軌欠壓
- 裸露頂部的QFN封裝,用於頂部冷卻
- 大型GND焊墊用於底部冷卻
應用
- 降壓、升壓、降壓-升壓轉換器
- LLC轉換器
- 太陽能逆變器
- 電信和伺服器電源
- 馬達驅動器
- 電動工具
- D類音訊放大器
簡化方塊圖
傳播延遲與錯配
發佈日期: 2025-01-17
| 更新日期: 2025-04-16

