Texas Instruments LMR50410/LMR50410-Q1 Step-Down Converter
Texas Instruments LMR50410/LMR50410-Q1 SIMPLE SWITCHER® Step-Down Converter is a wide-VIN, easy-to-use synchronous buck converter capable of driving up to 1A load current. With a wide input range of 4V to 36V, the device is suitable for a wide range of applications for power conditioning from an unregulated source. The LMR50410/LMH50410-Q1 operates at a switching frequency to support relatively small inductors for an optimized solution size. It has a PFM version that realizes high efficiency at light load and small output voltage ripple over the full load range. Soft-start and compensation circuits are implemented internally, which allows the device to be used with minimum external components.The device has built-in protection features, such as cycle-by-cycle current limit, hiccup mode short-circuit protection, and thermal shutdown in case of excessive power dissipation. The Texas Instruments LMR50410/LMR50410-Q1 is available in SOT-23-6 package. The LMR50410-Q1 devices are AEC-Q100 qualified for automotive applications.
Features
- Functional safety-capable
- Documentation available to aid functional safety system design
- Configured for rugged applications
- 4V to 36V input voltage range
- 1A continuous output current
- 60ns minimum switching-on time
- 2.1MHz fixed switching frequency
- –40°C to 150°C junction temperature range
- 98% maximum duty cycle
- Monotonic start-up with pre-biased output
- Internal short circuit protection with hiccup mode
- ±1% tolerance voltage reference
- Precision enable
- Small solution size and ease of use
- Integrated synchronous rectification
- Internal compensation for ease of use
- SOT-23-6 package
- Pin-to-pin compatible with TPS560430-Q1
- Various options in pin-to-pin compatible package
- PFM and forced PWM (FPWM) options
- Fixed 3.3V output option
Applications
- Body electronics and lighting
- Infotainment and cluster
- ADAS
- General purpose wide VIN power supplies
Datasheets
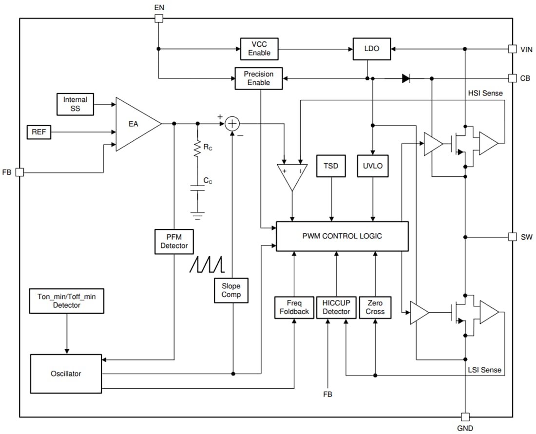
Functional Block Diagram
發佈日期: 2020-09-28
| 更新日期: 2024-11-05
