Texas Instruments LMR516x5 Synchronous Buck Converters
Texas Instruments LMR516x5 Synchronous Buck Converters can drive up to 2.5A or 3.5A load current. With an input range of 4.3V to 60V, the devices are designed for various industrial applications requiring power conditioning from an unregulated source. The Texas Instruments LMR516x5 operates at 400kHz or 1.1MHz switching frequency to support relatively small inductors for an optimized design size. The device has a pulse frequency modulation (PFM version) to realize high efficiency at light load and a forced pulse width modulation (PFM version) to achieve small output voltage ripple and constant frequency over the full load range. Compensation and soft-start circuits are implemented internally, which allows the device to be used with minimal external components.The device has built-in protection features, such as current limit, cycle-by-cycle, thermal shutdown, and hiccup mode short-circuit protection in case of excessive power dissipation.
Features
- Configured for rugged industrial applications
- 4.3V to 60V input voltage range
- 2.5A or 3.5A continuous output current
- Low operating quiescent current of 29µA
- 70ns minimum switching on time
- 400kHz and 1.1MHz switching frequency
- Frequency spread spectrum (PFM variant)
- –40°C to 150°C junction temperature range
- 96% maximum duty cycle
- Monotonic start-up with pre-biased output
- Short-circuit protection with hiccup mode
- Precision enable
- ±1% tolerance voltage reference
- Functional safety-capable with documentation available to aid functional safety system design
- Small design size and ease of use
- Integrated synchronous rectification
- Internal compensation for ease of use
- SOT-23 package
- Various options in pin-to-pin compatible packages with PFM and forced PWM (FPWM) options
Applications
- Major appliances
- PLC, DCS, and PAC
- Smart meters
- General-purpose wide VIN power supplies
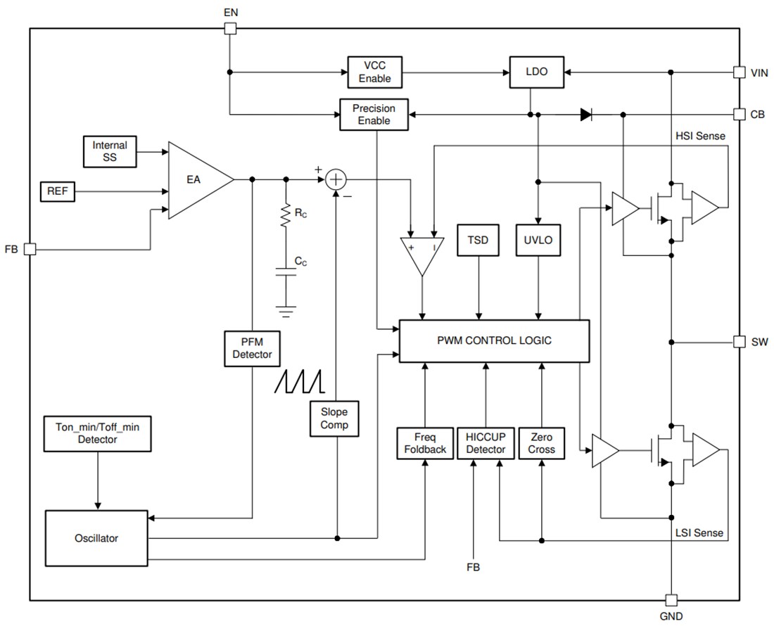
Functional Block Diagram
發佈日期: 2025-03-24
| 更新日期: 2025-04-18
