Texas Instruments LMR516xx/LMR516xx-Q1 Power Converters
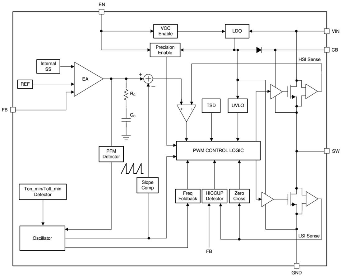
Texas Instruments LMR516xx/LMR516xx-Q1 SIMPLE SWITCHER® Power Converters are wide-VIN, easy-to-use synchronous buck converters capable of driving up to 0.6A and 1A load current. With a wide input range of 4V to 65V, the device is designed for various industrial applications for power conditioning from an unregulated source. The LMR516xx/LMR516xx-Q1 operates at 400kHz and 1.1MHz switching frequency to support relatively small inductors for an optimized design size. The LMR516xx/LMR516xx-Q1 has a PFM version to realize high efficiency at light load and an FPWM version to achieve constant frequency and small output voltage ripple over the full load range. Soft-start and compensation circuits are implemented internally, which allow the device to be used with minimal external components.The Texas Instruments LMR516xx/LMR516xx-Q1 has built-in protection features, such as cycle-by-cycle current limit, hiccup mode short-circuit protection, and thermal shutdown in case of excessive power dissipation. The LMR516xx-Q1 devices are AEC-Q100 qualified for automotive applications.
Features
- Functional Safety-Capable
- Documentation available to aid functional safety system design
- Configured for rugged industrial applications
- 4V to 65V input voltage range
- Input transient protection up to 70V
- 0.6A/1A continuous output current
- 80ns minimum switching on time
- Fixed 400kHz and 1.1MHz switching frequency
- –40°C to 150°C junction temperature range
- 98% maximum duty cycle
- Monotonic start-up with pre-biased output
- Short-circuit protection with hiccup mode
- Precision enable
- ±1.5% tolerance voltage reference
Applications
- Major appliances
- PLC, DCS, and PAC
- Smart meters
- Power delivery
Functional Block Diagram
發佈日期: 2024-03-05
| 更新日期: 2025-08-01
