Texas Instruments LMR60420/LMR60420-Q1 Synchronous Buck Converter
Texas Instruments LMR60420/LMR60420-Q1 Synchronous Buck Converter is a highly efficient 3V to 36V, ultra-low IQ converter that enables high power density and low EMI. This converter offers a 1V to 20V output voltage range, including a resistor divider between the output voltage node, feedback, and ground. The LMR60420/LMR60420-Q1 converter features a power-good output for power sequencing and a MODE/SYNC pin to select between modes of operation. The current-mode control architecture with 30ns minimum on-time allows high-conversion ratios at high frequencies, easy loop compensation, fast transient response, and excellent load and line regulation. The LMR60420/LMR60420-Q1 offers variants with a spread spectrum in an ultra-compact, 2.5mm x 2mm, HotRod QFN-9 package. Typical applications include factory automation and control, appliances, and building automation.The LMR60420/LMR60420-Q1 converter consumes 5µA quiescent current to ensure high efficiency at all loads. The Forced Pulse Width Modulation (FPWM) mode generates a constant switching frequency across the load, while auto mode allows seamless transitions between PWM and PFM switching. The LMR60420/LMR60420-Q1 devices have electrical characteristics specified up to a maximum junction temperature of 150°C. The LMR60420-Q1 devices are AEC-Q100 qualified for automotive applications.
Features
- Functional safety-capable
- Documentation available to aid functional safety system design
- 3V to 36V (42V absolute maximum) wide operating input voltage
- Pin programmable output voltage options available in fixed 3.3V/ADJ and 5V/ADJ
- 1V to 20V adjustable output voltage range
- 30ns typical low minimum tON
- Optimized for low Electromagnetic Interference (EMI) requirements
- Low inductance HotRod™ QFN package
- Advanced spread-spectrum options are available
- 200kHz to 2.2MHz programmable switching frequency range
- Forced Pulse Width Modulation (FPWM), Pulse Frequency Modulation (PFM), or external frequency synchronization is available
- Ultra-low quiescent current
- 0.65μA shutdown current
- 5μA Standby current
- Power-Good output for power sequencing
Applications
- Factory automation and control
- Building automation
Datasheets
Simplified Schematic – Fixed Output
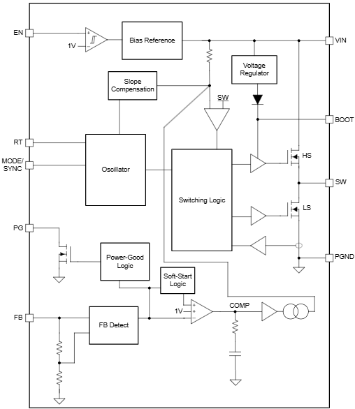
Functional Block Diagram
發佈日期: 2025-01-23
| 更新日期: 2025-09-03
