Texas Instruments OPAx202 Precision Low-Power Operation Amplifiers
Texas Instruments OPAx202 Precision Low-Power Operation Amplifiers are built on TI’s industry-leading precision super-β complementary bipolar semiconductor process. This process offers ultra-low flicker noise, low offset voltage, low offset voltage temperature drift, and excellent linearity with common mode and power supply variation. The OPAx202 provides an exceptional combination of DC precision, heavy capacitive load drive, and protection against external EMI, thermal, and short-circuit events. The supply current for this device is 580µA at ±18V. The OPAx202 series does not exhibit phase inversion, and the series is stable with high capacitive loads. This series is fully specified with a temperature range from –40°C to +105°C.Features
- Precision Super-β performance
- 200µV (maximum) low offset voltage
- 1µV/°C (maximum) ultra-low drift
- Excellent efficiency
- 580µA (typical) quiescent current
- 1MHz gain-bandwidth product
- 9nV/√Hz low input voltage noise
- Ease of use, design simplicity
- Heavy capacitive load drive (5µs settling time with 25nF)
- 3000GΩ and 0.5pF ultra-high input impedance
- EMI hardened, thermal, and short-circuit protection
- Stable performance
- 126dB (minimum) high CMRR and AOL
- 126dB (minimum) high PSRR
- 2nA (maximum) low bias current
- 0.2µVpp low 0.1Hz to 10Hz noise
- ±2.25V to ±18V wide supply voltage
- Replaces OP-07 and OP-27
Applications
- Sensor excitation
- Coaxial, power plane, ground driver
- Test and measurement equipment
- Transducer application
- Temperature measurement
- Precision active filters
- Battery-powered instruments
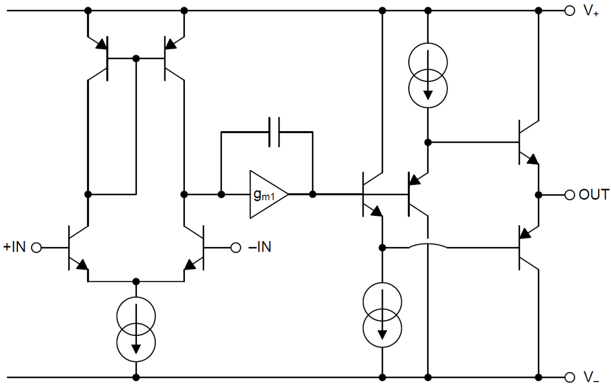
Functional Block Diagram
發佈日期: 2018-04-18
| 更新日期: 2022-12-02
