Texas Instruments SN65LVDS302 Display Serial Interface Receiver
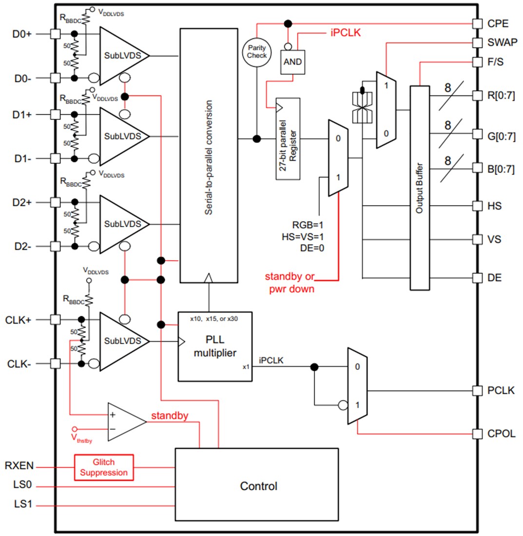
Texas Instruments SN65LVDS302 Programmable 27-Bit Display Serial Interface Receiver de-serializes FlatLink™ 3G compliant serial input data to 27 parallel data outputs. The Texas Instruments SN65LVDS302 receiver contains one shift register to load 30 bits from 1, 2, or 3 serial inputs. After checking the parity bit, it latches the 24-pixel and three control bits to the parallel CMOS outputs. If the parity check confirms correct parity, the Channel Parity Error (CPE) output remains low. If a parity error is detected, the CPE output generates a high pulse while the data output bus disregards the newly received pixel. Instead, the last data word is held on the output bus for another clock cycle.Features
- Serial interface technology
- Compatible with FlatLink™ 3G such as SN65LVDS301
- Supports video interfaces up to 24-bit RGB data and three control bits received over one, two, or three SubLVDS differential lines
- Three operating modes to conserve power
- Active mode QVGA 17mW
- Typical shutdown 0.7µW
- Typical standby mode 27µW (Typ.)
- SubLVDS differential voltage levels
- Up to 1.755Gbps Data Throughput
- Bus-swap function for PCB-layout flexibility
- ESD rating > 4kV (HBM)
- Pixel clock range of 4MHz to 65MHz
- Failsafe on all CMOS inputs
- Packaged in 5mm × 5mm nFBGA with 0.5mm ball pitch
- Very low EMI meets SAE J1752/3 ’Kh’-spec
Applications
- Wearables (non-medical)
- Tablets
- Mobile phones
- Portable electronics
- Gaming
- Retail automation and payment
- Building automation
Functional Block Diagram
發佈日期: 2020-12-17
| 更新日期: 2024-10-21
