Texas Instruments SN74LVC257A/SN74LVC257A-Q1 Data Multiplexers
Texas Instruments SN74LVC257A/SN74LVC257A-Q1 Data Selectors/Multiplexers are quadruple 2-line to 1-line devices with 4.6ns maximum propagation delay time at 3.3V. These data selectors/multiplexers are designed to multiplex signals from 4-bit data sources to 4-output data lines in bus-organized systems. The 3-state outputs do not load the data lines when the output-enable input is at a high logic level. The SN74LVC257A-Q1 data selectors/multiplexers are qualified for automotive applications and are designed to operate within the 2.7VCC to 3.6VCC voltage range. These data selectors/multiplexers are used in I/O expanders, motor drivers, servers, network switches, and telecom infrastructures.Features
- 4.6ns maximum propagation delay time at 3.3V
- Inputs accept voltages to 5.5V
- <0.8V typical VOLP (output ground bounce) at VCC=3.3V, TA=25°C
- >2V typical VOHV (output VOH undershoot) at VCC=3.3V, TA=25°C
- SN74LVC257A-Q1:
- Qualified for automotive applications
- Operates from 2V to 3.6V voltage range
- ESD protection exceeds 2000V per MIL-STD-883, method 3015
- SN74LVC257A:
- Operates from 1.65V to 3.6V voltage range
- Latch-up performance exceeds 250mA per JESD 17
- ESD protection exceeds JESD 22:
- 2000V human-body model (A114-A)
- 200V machine model (A115-A)
Applications
- I/O expanders
- Motor drivers
- Servers
- Network switches
- Telecom infrastructures
- Tests and measurements
- Cable modem termination systems
Datasheets
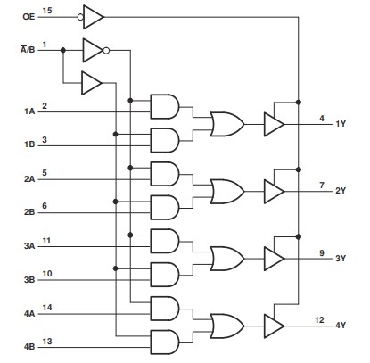
Functional Block Diagram
發佈日期: 2024-07-18
| 更新日期: 2024-08-28
