Texas Instruments SN74AC153-Q1 Dual 4-to-1 Line Data Selectors/Muxes
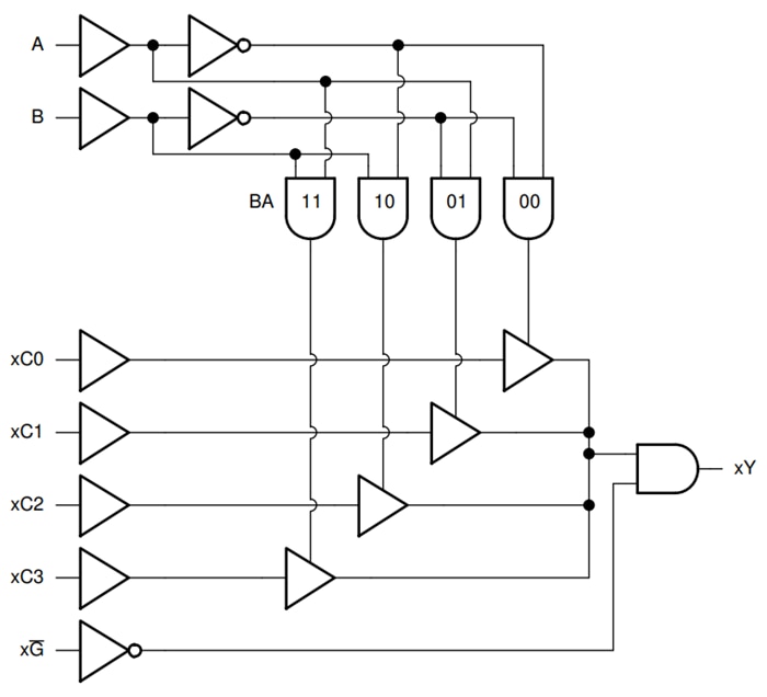
Texas Instruments SN74AC153-Q1 Dual 4-to-1 Line Data Selectors/Multiplexers are dual data selectors/multiplexers containing full binary decoding to select one of four data sources. The same address-select inputs control both channels, and each channel includes a strobe (G) input. A high level at the strobe terminal of the Texas Instruments SN74AC153-Q1 forces the respective output low.Features
- AEC-Q100 qualified for automotive applications
- Device temperature grade 1 of -40°C to +125°C
- Device HBM ESD classification level 2
- Device CDM ESD classification level C4B
- Available in a wettable flank QFN package
- Wide operating range of 1.5V to 6V
- Inputs accept voltages up to 6V
- Continuous ±24mA output drive at 5V
- Supports up to ±75mA output drive at 5V in short bursts
- Drives 50Ω transmission lines
- Maximum tpd of 20ns at 5V, 50pF load
Applications
- Data selection
- Multiplexing
Additional Resources
- Application Note: Designing With Logic
- Application Note: Implications of Slow or Floating CMOS Inputs
- Application Note: Understanding and Interpreting Standard-Logic Data Sheets
- Application Note: Using High-Speed CMOS and Advanced CMOS in Systems With Multiple VCC
- Selection Guide: Logic Guide
- User Guide: LOGIC Pocket Data Book
Logic Diagram (Positive Logic)
發佈日期: 2025-06-10
| 更新日期: 2025-06-17
