Texas Instruments SN74AHCT138/SN74AHCT138Q-Q1 Demux/Decoders
Texas Instruments SN74AHCT138/SN74AHCT138Q-Q1 3- to 8-Line Decoders/Demultiplexers are developed for use in high-performance memory-decoding and data-routing applications that need very short propagation-delay times. In high-performance memory systems, the TI SN74AHCT138/SN74AHCT138Q-Q1 can reduce the effects of system decoding. When operated with high-speed memories utilizing a fast enable circuit, the delay times of this decoder and the enable time of the memory are generally less than the typical access time. This feature indicates that the effective system delay introduced by the decoder is negligible. The SN74AHCT138Q-Q1 devices are AEC-Q100 qualified for automotive applications.Features
- Qualified for automotive applications (SN74AHCT138Q-Q1)
- EPIC (Enhanced-Performance Implanted CMOS) process
- Inputs Are TTL-voltage compatible
- Designed specifically for high-speed memory decoders and data-transmission systems
- Incorporates three enable inputs to simplify cascading and/or data reception
- Latch-up performance exceeds 250mA per JESD 17
- ESD protection exceeds 2000V per MIL-STD-833, method 3015
Datasheets
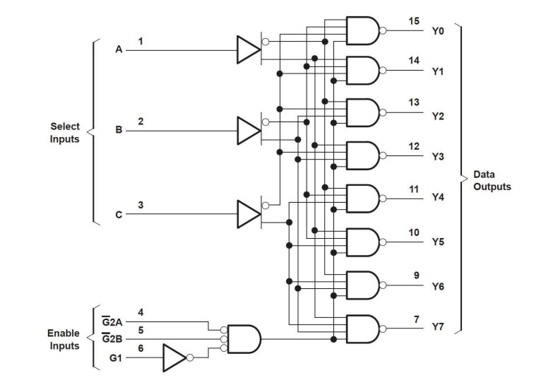
Logic Diagram (Positive Logic)
發佈日期: 2024-07-19
| 更新日期: 2024-08-02
