Texas Instruments SN74AHCT594/SN74AHCT594-Q1 8-Bit Shift Registers
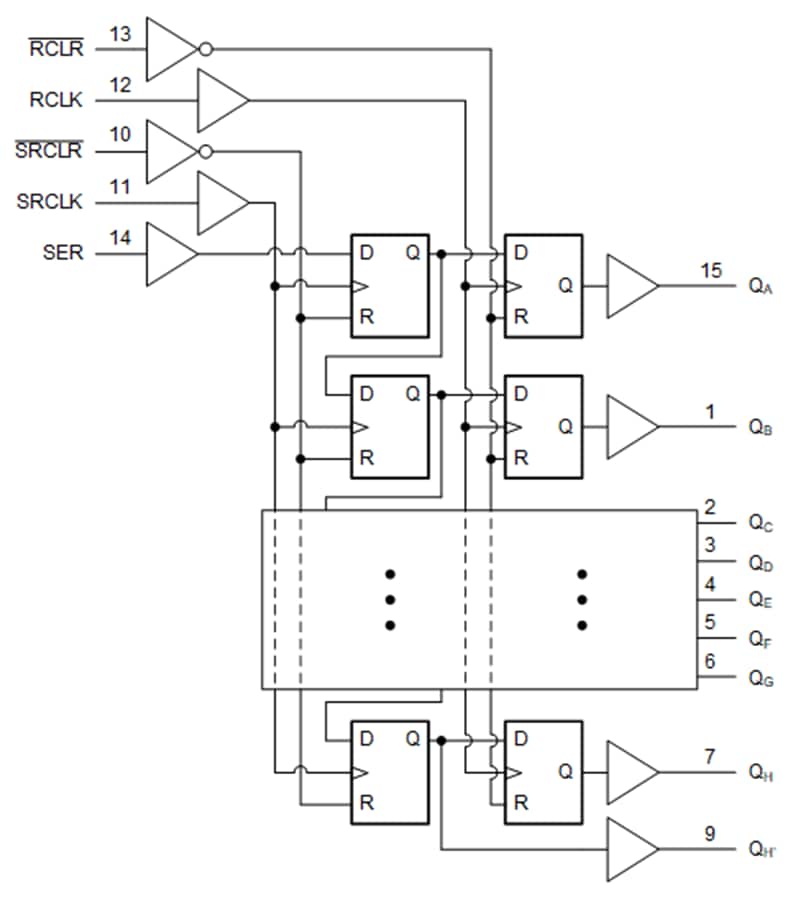
Texas Instruments SN74AHCT594/SN74AHCT594-Q1 8-Bit Shift Registers contain an 8-bit serial-in, parallel-out shift register that feeds an 8-bit D-type storage register. The shift and storage registers provide separate clocks and direct overriding clear (SRCLR, RCLR) inputs. A serial (QH) output is provided for cascading purposes. The Texas Instruments SN74AHCT594-Q1 devices are AEC-Q100 qualified for automotive applications.Features
- Inputs are TTL-voltage compatible
- 8-bit serial-in, parallel-out shift registers with storage
- Independent direct overriding clears on shift and storage registers
- Independent clocks for both shift and storage registers
- Latch-up performance exceeds 100mA per JESD, 78 class II
- ESD protection exceeds JESD 22
- ±3500V human-body model
- ±200V machine model
Applications
- Network switches
- Power infrastructure
- PCs, notebooks
- Health and fitness, wearables
- Tests and measurements
Datasheets
Logic Diagram (Positive Logic)
Additional Resources
- Application Note: Implications of Slow or Floating CMOS Inputs
- Selection Guide: Little Logic Guide
- Selection Guide: Logic Guide
- Application Note: How to Select Little Logic
- Application Note: Understanding and Interpreting Standard-Logic Data Sheets
- User Guide: LOGIC Pocket Data Book
- Application Note: Selecting the Right Level Translation Solution
- ADAS: The technology driving automotive safety forward
發佈日期: 2024-04-24
| 更新日期: 2025-06-06
