Texas Instruments SN74HCS365/SN74HCS365-Q1 Hex Buffers/Line Drivers
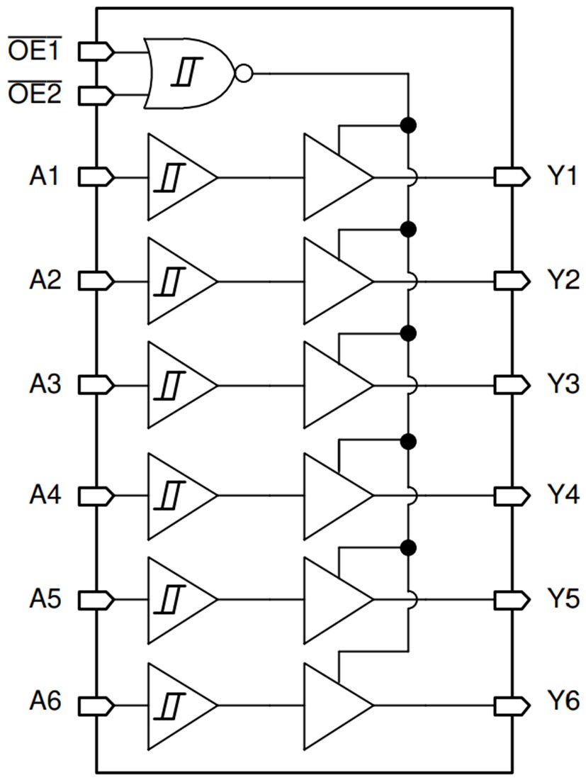
Texas Instruments SN74HCS365/SN74HCS365-Q1 Hex Buffers and Line Drivers contain six independent buffers with Schmitt-trigger inputs and 3-state outputs. When either of the output enable (OE) pins is set to the high state, all channels are placed into the high-impedance mode. The Texas Instruments SN74HCS365-Q1 devices are AEC-Q100 qualified for automotive applications.Features
- 2V to 6V wide operating voltage range
- Schmitt-trigger inputs allow for slow or noisy input signals
- 7.8mA output drive at 6V
- –40°C to +125°C, TA extended ambient temperature range
- Low power consumption
- Typical ICC of 100nA
- Typical input leakage current of ±100nA
Applications
- Enable or disable a digital signal
- Eliminate slow or noisy input signals
- Hold a signal during controller reset
- Debounce a switch
Datasheets
Functional Block Diagram
發佈日期: 2020-08-19
| 更新日期: 2025-05-05
