Texas Instruments SN74LV8T595/SN74LV8T595-Q1 8-Bit Shift Registers
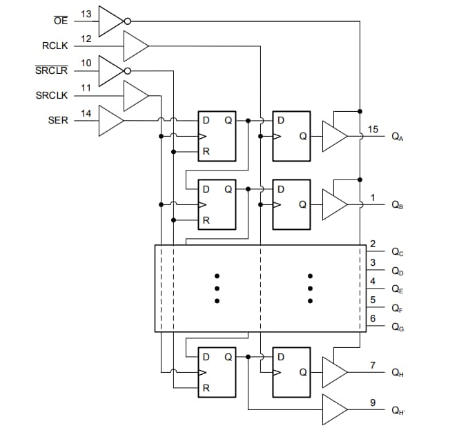
Texas Instruments SN74LV8T595/SN74LV8T595-Q1 8-Bit Shift Registers comprise an 8-bit, serial-in, parallel-out shift register that provides an 8-bit D-type storage register. The storage register supplies 3-state parallel outputs. Separate clocks are equipped for both the shift and storage register. The shift register has a direct overriding clear (SRCLR) input, serial (SER) input, and serial output (QH') for cascading. When the high output-enable (OE) input is used, the storage register outputs are in a high-impedance state. The operation of the OE input does not impact internal register data and serial output (QH').The TI SN74LV8T595/SN74LV8T595-Q1 input is designed with a reduced threshold circuit to support up translation when the supply voltage is larger than the input voltage. The 5V tolerant input pins also enable down translation when the input voltage is larger than the supply voltage. The output level always references the supply voltage (VCC) and supports 1.8V, 2.5V, 3.3V, and 5V CMOS levels.
The SN74LV8T595-EP devices have gold bond wires, a temperature range of –55 to +105°C, and an SnPb lead finish. The TI SN74LV8T595-Q1 is AEC-Q100 qualified for automotive applications.
Features
- AEC-Q100 qualified for automotive applications (SN74LV8T595-Q1):
- Device temperature grade 1 of -40°C to +125°C
- Device HBM ESD classification level 2
- Device CDM ESD classification level C4B
- Available in wettable flank QFN package
- Latching logic with a known power-up state provides consistent start-up behavior
- Wide operating range of 1.65V to 5.5V
- 5.5V tolerant input pins
- Supports standard function pinout
- Latch-up performance exceeds 250mA per JESD 17
- Up to 150Mbps with 5V or 3.3V VCC
- Single-supply voltage translator (refer to LVxT Enhanced Input Voltage):
- Up translation:
- 1.2V to 1.8V
- 1.5V to 2.5V
- 1.8V to 3.3V
- 3.3V to 5.0V
- Down translation:
- 5.0V, 3.3V, 2.5V to 1.8V
- 5.0V, 3.3V to 2.5V
- 5.0V to 3.3V
- Up translation:
Applications
- Digital signage
- Controlling an indicator LED
- Increase the number of outputs on a microcontroller
Simplified Positive Logic
Additional Resource
發佈日期: 2024-07-22
| 更新日期: 2025-05-08
