Texas Instruments TLV1391單差分比較器

Texas Instruments TLV1391單差分比較器採用Texas Instruments高速低電壓雙極程序建造。這些裝置專為低電壓單一供電應用所打造。此裝置採用改良的3V和5V系統設計,強化的效能使其成為LM393的優異替代品。Texas Instruments TLV1391具備僅80 µA的典型供應電流,非常適合低功耗系統。反應時間亦改善為0.7 µs。

特點

  • 低電壓和VCC = 2V至7V的單一供電運作
  • 共模電壓範圍包含接地
  • 快速反應時間0.7 µs(典型值)
  • 低供電電流80 µA(典型值)和150 µA(最大值)
  • 完全指定為3V和5V供應電壓

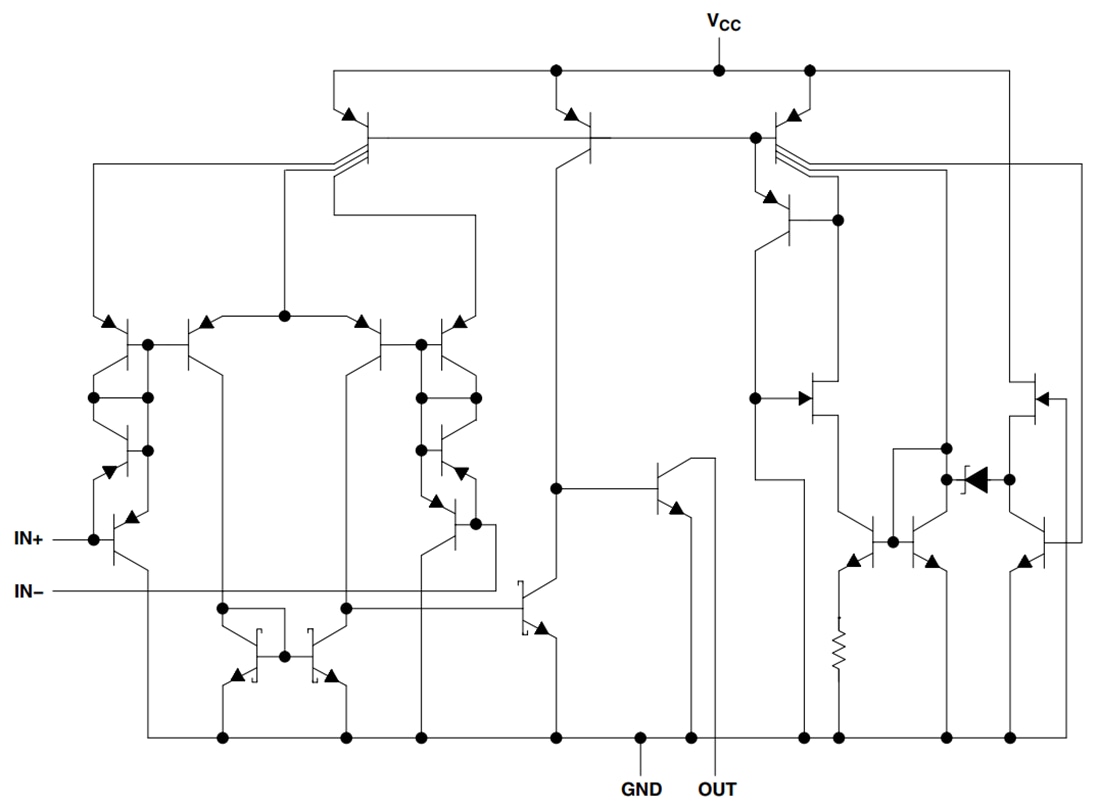
示意圖

電路圖 - Texas Instruments TLV1391單差分比較器
發佈日期: 2024-12-04 | 更新日期: 2024-12-12