Texas Instruments TMUX1072 2-Channel 2:1 Analog Multiplexer
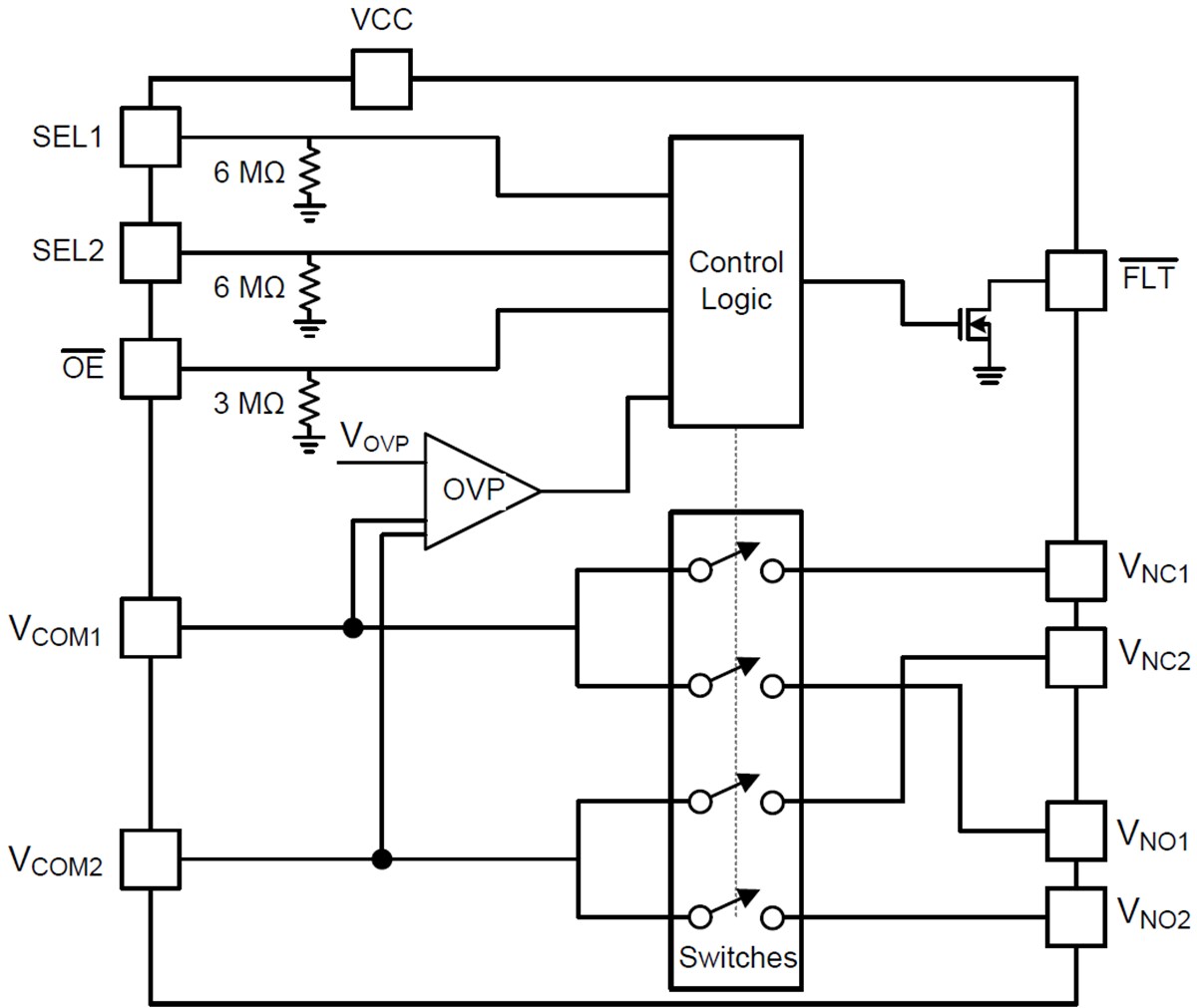
Texas Instruments TMUX1072 2-Channel 2:1 Analog Multiplexer comes with integrated overvoltage detection and powered-off protection. The device is bidirectional and can be used as a 2:1 or 1:2 switch while supporting signals beyond VCC up to 5.5V. The protection on the I/O pins of the TMUX1072 tolerates a maximum of 18V with automatic shutoff circuitry to prevent damage to system components behind the switch. This protection is used for power sequencing. Some boards in the system may be powered up before others are ready to receive signals. The device detects overvoltage and overtemperature events and provides an open drain output signal through the FLT pin.Features
- Supply range 2.3V to 5.5V
- Powered pff protection: I/O pins Hi-Z when VCC = 0V
- Overvoltage and overtemperature detection
- 0V to 18V Overvoltage Protection (OVP) on common pins
- Support signals beyond VCC up to 5.5V
- Low RON of 6Ω
- BW of 1.2GHz typical
- CON of 4.5pF Typical
- Low power disable mode
- 1.8V Compatible Logic inputs
- ESD Protection Exceeds JESD22
- 2000V Human Body Model (HBM)
- Small 2.00mm x 1.70mm QFN package available
Applications
- Data Aquisition (DAQ)
- Field instrumentation
- Video surveillance
- HVAC Systems
- Rear camera
Functional Block Diagram
發佈日期: 2018-08-29
| 更新日期: 2023-04-25
