Texas Instruments TPA3220 50W立體聲/100W峰值Class-D放大器
Texas Instruments TPA3220 50W立體聲/100W峰值高解析度類比輸入焊盤朝下Class-D放大器提供開機、閒置和待機等模式,能以高效率運作。本裝置具備閉迴路回饋和最高100 kHz的頻寬,能在各個音頻頻帶下達到低失真,提供出色的音質。裝置可在AD或低閒置電流HEAD(高效率AD)調變下運作。可為4Ω負載驅動2x60W的連續功率或2x110W的峰值功率,底部的散熱墊則連接至PCB。可透過單端或差分類比輸入介面提供多重輸入,有18 dB、24 dB、30 dB和34 dB增益可選,能簡化前級放大器設計。TPA3220使用70 mΩ MOSFET,經過最佳化的閘極驅動架構和低功耗作業模式,可實現>90%效率、低閒置功耗 (<0.25W) 和超低待機功耗 (<0.1W)。本裝置整合多項重要的保護功能,包括欠壓、逐週期電流限制、短路、削波偵測、過熱警告和關機,還有DC喇叭保護功能可進一步簡化設計。特點
- 立體聲 (2xBTL) 和單聲道 (1xPBTL) 運作
- 10% THD+N時的輸出功率
- 8Ω負載的BTL下,立體聲連續功率為60W
- 4Ω負載的BTL下,立體聲峰值功率為110W
- 10% THD+N時的輸出功率
- 1% THD+N時的輸出功率
- 8Ω負載的BTL下,立體聲連續功率為50W
- 4Ω負載的BTL下,立體聲峰值功率為89W
- 5V閘極驅動或內建LDO,提供可選的單一供電運作
- 閉迴路回饋設計
- 最高100 kHz的訊號頻寬,適合高解析度來源的高頻內容
- 在4Ω負載、1W功率時,可達到0.02% THD+N
- 60dB PSRR(BTL,無輸入訊號)
- <72µV輸出雜訊(A加權)
- >108dB SNR(A加權)
- AD或HEAD調變架構
- 低功率運作模式
- 待機模式:靜音和
- 低閒置電流HEAD調變架構
- 單通道BTL運作
- 多重輸入選項,可簡化前級放大器設計
- 差分或單端類比輸入
- 可選增益:18 dB、24 dB、30 dB、34 dB
- 整合保護功能:欠壓、逐週期電流限制、短路、削波偵測、過熱警告和關機,以及DC喇叭保護功能
- 90%效率Class-D運作 (4Ω)
- 散熱墊位在封裝底部
- 腳位相容的裝置系列,提供各種電壓和功率等級選項
應用
- 藍牙和Wi-Fi™喇叭
- 音響
- 重低音喇叭
- 書架式音響系統
- 專業級和擴音 (PA) 喇叭
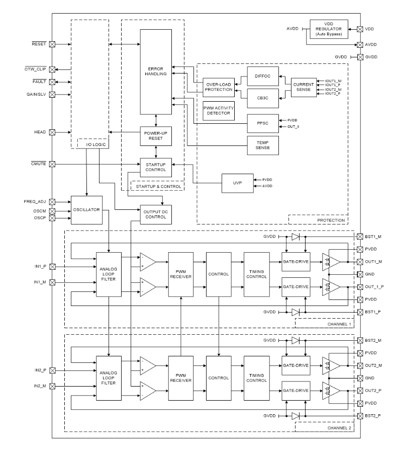
方塊圖
發佈日期: 2018-08-08
| 更新日期: 2023-02-06
