Texas Instruments TPD1E01B04 / TPD1E01B04-Q1 ESD Protection Diode
Texas Instruments TPD1E01B04 / TPD1E01B04-Q1 ESD Protection Diode is a bidirectional TVS ESD protection diode array for USB Type-C™ and Thunderbolt 3 circuit protection. The TPD1E01B04 / TPD1E01B04-Q1 is rated to dissipate ESD strikes at the maximum level specified in the IEC 61000-4-2 international standard (Level 4). The Texas Instruments TPD1E01B04 / TPD1E01B04-Q1 features a 0.18pF (typical) IO capacitance making it ideal for protecting high-speed interfaces up to 20Gbps such as USB 3.1 Gen2 and Thunderbolt 3. The low dynamic resistance and low clamping voltage ensure system-level protection against transient events. The TPD1E01B04-Q1 devices are AEC-Q100 qualified for automotive applications.Features
- IEC 61000-4-2 Level 4 ESD protection
- ±15kV contact discharge
- ±17kV air gap discharge
- IEC 61000-4-4 EFT protection
- 80A (5/50ns)
- IEC 61000-4-5 surge protection
- 2.5A (8/20µs)
- IO capacitance
- 0.18pF (typ.)
- 0.2pF (max.)
- 6.4V (typ.) DC breakdown voltage:
- 10nA (max.) ultra-low leakage current
- 15V at 16A TLP low ESD clamping voltage
- 26.9GHz (–3dB Bandwidth) low insertion loss
- Supports high-speed interfaces up to 20Gbps
- –40°C to +125°C industrial temperature range
- Offered in the industry standard 0201 (DPL) package and 0402 (DPY) package
Applications
- Interfaces
- USB Type-C
- Thunderbolt 3
- USB 3.1 Gen 2
- HDMI 2.0/1.4
- USB 3.0
- DisplayPort 1.3
- PCI Express 3
- End Equipment
- Laptops and Desktops
- Mobile and Tablets
- Set-Top Boxes
- TV and Monitors
- USB Dongles
- Docking Stations
Datasheets
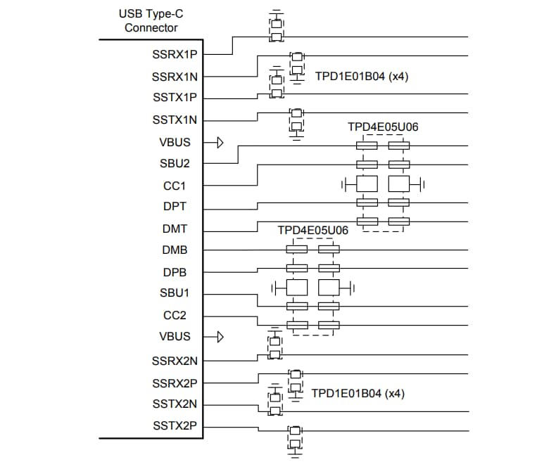
Typical Application
發佈日期: 2016-07-15
| 更新日期: 2022-03-11
