Texas Instruments TPLD801 & TPLD801-Q1 Programmable Logic Devices

Texas Instruments TPLD801 and TPLD801-Q1 Programmable Logic Devices (PLDs) feature six general-purpose input or outputs (GPIOs), combinational logic, sequential logic, and analog blocks. This fully integrated, low-power solution can implement common system functions, such as voltage monitors, power sequencers, timing delays, system resets, I/O expanders, and more. These TPLD801 devices offer configurable I/O structures that extend compatibility within mixed-signal environments, minimizing the required number of discrete components. System designers can create circuits and configure the I/O pins, macro-cells, and interconnections, and the series includes a variant (-Q1) qualified for automotive applications. Texas Instruments TPLD801 PLDs are ideal for factory automation and control, communications equipment, personal electronics, and professional audio, video, and signage.

Features

  • Fully integrated, low-power solution to implement common system functions
  • Qualified for automotive applications (TPLD801-Q1 only)
  • Wide 1.65V to 5.5V supply voltage range
  • Configurable macro-cells:
    • 2-, 3-, and 4-bit lookup tables
    • D-type flip-flops and latches with and without reset/set option
    • 8-bit pipe delay
    • Counters and a delay generator
    • Programmable deglitch filter or edge detector
    • Oscillator
  • Flexible digital I/O features:
    • All digital signals can be routed to any GPIO
    • Digital input modes: digital in with and without Schmitt-trigger and low-voltage digital in
    • Digital output modes: push-pull, open-drain NMOS, and tri-state
  • Development tools:
    • InterConnect studio
    • TPLD801 evaluation module
    • TPLD programming board
  • DRL (SOT-5X3, 8) package (2.1mm x 1.6mm)
  • -40°C to 125°C extended temperature range

Applications

  • Factory automation and control
  • Communications equipment
  • Retail automation and payment
  • Test and measurement
  • Pro audio, video, and signage
  • Personal electronics
  • Automotive (TPLD801-Q1 only)

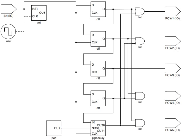
Functional Block Diagram

Block Diagram - Texas Instruments TPLD801 & TPLD801-Q1 Programmable Logic Devices

Simplified Application

Application Circuit Diagram - Texas Instruments TPLD801 & TPLD801-Q1 Programmable Logic Devices
發佈日期: 2025-02-11 | 更新日期: 2026-01-13