Texas Instruments TPS22971 3.6V Load Switches

Texas Instruments TPS22971 3.6V Load Switches are single-channel with controlled and adjustable Turn-ON slew rate and an integrated Power Good indicator ideal for space-saving designs. An N-Channel MOSFET is included on the device that can operate over a low input voltage range of 0.65V to 3.6V and can support a maximum continuous current of 3A. Additionally, the low on-resistance feature of 6.7mΩ minimizes the power loss and voltage drop across the load switch. The default Fast Turn-ON time dramatically minimizes the system startup and wait time. The Adjustable Slew Rate feature can be reduced by limiting inrush current. The Power Good (PG) signal internally monitors the gate threshold and shows an indication when the TPS22971 is fully operational. A 150Ω on-chip resistor quickly discharges the output to the ground and keeps it from floating when the chip is disabled. The TPS22971 integrates thermal shutdown to turn off in case of overheating and operates over the free-air temperature range of –40°C to 105°C.

Features

  • Input Voltage Range (VIN): 0.65V to 3.6V
  • On-Resistance
    • RON = 6.7mΩ (typical) at VIN ≥1.8V
    • RON = 7.2mΩ (typical) at VIN = 1.05V
    • RON = 8.9mΩ (typical) at VIN = 0.65V
  • Maximum Continuous Switch Current (IMAX): 3A
  • ON State (IQ): 30µA (typical) at 3.6VIN
  • OFF State (ISD): 1µA (typical) at 3.6VIN
  • Adjustable Slew Rate through CT Pin
    • Fast Turn-ON ≤ 65µs at VIN = 1V
  • Power Good (PG) Indicator After Switch Turn ON
  • Low Threshold Enable (ON) of 0.9V (VIH) supports use of low voltage control logic
  • Thermal Shutdown (TSD)
  • Quick Output Discharge (QOD): 150Ω (typical)

Applications

  • Notebook, tablet
  • Industrial PC
  • Smartphones
  • Telecom
  • Storage

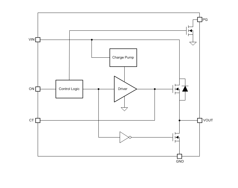
Block Diagram

Block Diagram - Texas Instruments TPS22971 3.6V Load Switches
發佈日期: 2018-07-13 | 更新日期: 2022-11-16