Texas Instruments TPS563300 3A Synchronous Buck Converter

Texas Instruments TPS563300 3A Synchronous Buck Converter is an easy-to-use, high-efficiency buck converter with a 3.8V to 28V wide input voltage. The device supports a 0.8V to 22V output voltage and up to 3A continuous output current.

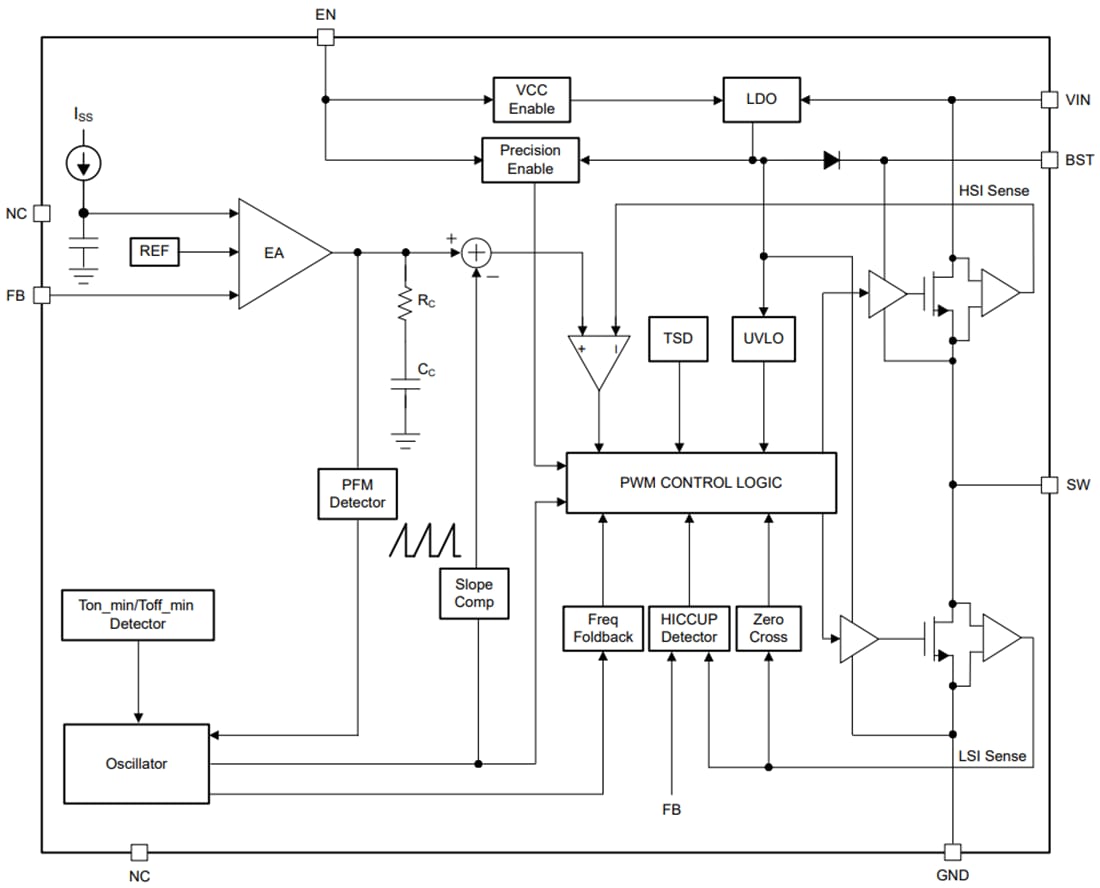
The device employs a fixed-frequency peak current control mode for a good line, load regulation, and fast transient response. The internal loop compensation is optimized to eliminate external compensation components over a wide range of operation frequency and output voltage. Pulse frequency modulation (PFM) mode maximizes the light load efficiency. A low quiescent current feature benefits extended battery lifetime in low-power operation. The device reduces EMI noise with a frequency spread spectrum feature.

The Texas Instruments TPS563300 provides complete protections, including OTP, OVP, UVLO, cycle-by-cycle OC limit, and UVP with hiccup mode. This device is in a small SOT-583 (1.6mm × 2.1mm) package with a 0.5mm pin pitch. It has an optimized pinout for easy PCB layout and promotes good EMI performance.

Features

  • Ease of use and small solution size
    • Peak current control mode with internal compensation
    • Pulse frequency modulation (PFM) for high light-load efficiency
    • 500kHz fixed switching frequency
    • EMI friendly with frequency spread spectrum
    • Support start-up with pre-biased output
    • Cycle-by-cycle OC limit for both high-side and low-side MOSFETs
    • Non-latched protections for OTP, OCP, OVP, UVP, and UVLO
    • 1.6mm × 2.1mm SOT-583 package
  • Configured for a wide range of applications
    • 3.8V to 28V input voltage range
    • 0.8V to 22V output voltage range
    • 3A continuous output current
    • 0.8V ± 1.5% reference voltage (25°C)
    • –40°C to 150°C operating junction temperature
    • Integrated 76mΩ and 32mΩ MOSFETs
    • 20µA low quiescent current (typical)
    • Maximum 98% duty cycle operation
    • Precision EN threshold

Applications

  • Building automation, appliances, industrial PC
  • Multifunction printers, enterprise projectors
  • Portable electronics, connected peripherals
  • Smart speakers, monitors
  • Distributed power systems with 5V, 12V, 19V, and 24V input

Functional Block Diagram

Block Diagram - Texas Instruments TPS563300 3A Synchronous Buck Converter
發佈日期: 2022-09-08 | 更新日期: 2022-12-13