Texas Instruments TPS56837H 8A Synchronous Buck Converters
Texas Instruments TPS56837H 8A Synchronous Buck Converters are easy-to-use, high-efficiency buck converters with a wide input voltage range of 4.5V to 28V. These converters support up to 8A continuous output current at output voltages between 4V and 22V. The TPS56837H converters support 5V, 9V, 15V, and 20V dynamic output change for USB Power Delivery (USB PD) applications. These converters use D-CAP3 control mode to provide a fast transient response, good line and load regulation, and no requirement for external compensation. The TPS56837H converters speakers, notebooks, video conference systems, industrial PCs, factory automation, and multifunction printers.The TPS56837H converters operate at Eco-mode to attain high efficiency at light load with a fixed 500kHz switching frequency and three selectable current limits through MODE pin configuration. The TPS56837H has an adjustable soft-start time by the SS pin capacitor configuration. The TPS56837H provides complete non-latched overvoltage, undervoltage, overcurrent, overtemperature, and undervoltage lockout protections combined with power-good indicator and output discharge function features. The TPS56837H is available in a 10-pin, 3mm×3mm, HotRod QFN package, and the junction temperature is specified from –40°C to 150°C.
Features
- Support for USB power delivery (USB PD)
- 4.5V to 28V input voltage range
- 4V to 22V output voltage range
- Supports 8A continuous output current
- Three adjustable cycle-by-cycle over the current limit for low-side MOSFET by mode selection
- High efficiency over the entire load range
- Integrated 20.4mΩ and 9.5mΩ MOSFETs
- 45μA low quiescent current
- Fixed 500kHz switching frequency
- 98.7% efficiency at VIN = 24V, VOUT = 20V and IOUT = 3A
- Eco-mode for high light-load efficiency
- 0.6V ±1% reference voltage at 25°C
- D-CAP3™ control mode for fast transient response
- Adjustable soft-start time by SS capacitor
- Built-in output discharge function
- Power-good indicator to monitor output voltage
- Supports up to 98% duty operation
- Non-latched protections for UV, OV, OT, and UVLO
- -40°C to +150°C operating junction temperature
- Small 10-pin 3.0mm×3.0mm HotRod™QFN Package
- Pin-to-pin compatible with 6A TPS56637 and 8A TPS56837
Applications
- USB Power Supplies with PD
- Industrial PC, EPOS, factory automation and control
- Multifunction printers, video conference system
- Monitors, TVs, speakers, PCs and notebooks, portable electronics
- General purposes for 12V, 19V, 24V power-bus supply
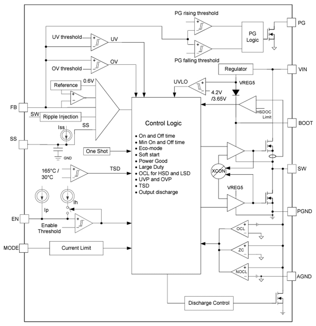
Functional Block Diagram
發佈日期: 2024-03-27
| 更新日期: 2024-07-24
