Texas Instruments TPS61378-Q1 Synchronous Boost Converters

Texas Instruments TPS61378-Q1 Synchronous Boost Converters have an integrated load disconnect function. The input voltage covers 2.3V to 14V, while the maximal output voltage is up to 18.5V. The switching current limit is programmable from 1A to 4.8A. It consumes a 25uA quiescent current from VIN.

The TPS61378-Q1 employs the peak current mode control with the switching frequency programmable from 200kHz to 2.2MHz. The device works in fixed-frequency PWM operation in medium to heavy loads. There are two optional modes in light load by configuring the MODE pin: Auto PFM mode and Forced PWM to balance the efficiency and noise immunity in light load. The switching frequency can be synchronized to an external clock. The TPS61378-Q1 uses the spread spectrum of the internal clock for more EMI friendly at FPWM mode. Also, there is an internal soft-start time to limit the inrush current.

The Texas Instruments TPS61378-Q1 has various fixed output voltage versions to save the external feedback resistor. It supports external loop compensation to optimize stability and transient response at a wider VOUT/VIN range. It also integrates robust protection features that include output short protection, output over-voltage protection, and thermal shutdown protection. The TPS61378-Q1 is available in a 3mm x 3mm 16-pin QFN package with a wettable flank.

Features

  • AEC-Q100 qualified for automotive applications
    • –40°C to 125°C TA device temperature grade 1
  • Function safety-capable
    • Documentation available to aid functional safety system design
  • Flexible input and output operation range
    • 2.3V to 14V input voltage range
    • 4.0V to 18.5V programmable output voltage range
    • 5V, 5.25V, 5.5V fixed output options
    • 1A to 4.8A programmable peak current limit
  • Avoid AM band interference and crosstalk
    • 200kHz to 2.2MHz dynamically programmable switching frequency
    • Spread spectrum frequency modulation
    • Optional clock synchronization
  • Minimize solution size for space-constraint applications
    • RDS(ON) 50mΩ/50mΩ/100mΩ (LS/HS/ISO) integrated FET
    • Support up to 2.2MHz with small L-C
  • Minimized light load and idle state current consumption
    • 25µA quiescent current into VIN pin
    • 0.5µA shutdown current into VIN pin
    • Selectable auto PFM and forced PWM mode
    • True load disconnect during shutdown or fault conditions
  • Integrated protection features
    • Support VIN close to VOUT operation
    • Input undervoltage lockout and output overvoltage protection
    • Hiccup output short circuit protection
    • Power good indicator
    • Thermal shutdown protection at 165°C
  • Higher than 90% efficiency under 0.8A load from 3.3V to 9V conversion

Applications

  • Advanced driver-assistance system (ADAS)
  • Automotive infotainment and cluster
  • Body electronics and lighting
  • Emergency call (eCall)

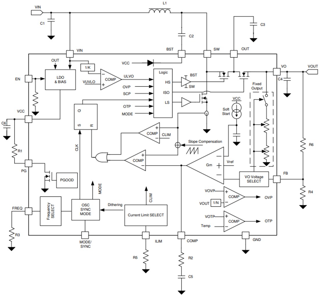
Functional Block Diagram

Block Diagram - Texas Instruments TPS61378-Q1 Synchronous Boost Converters
發佈日期: 2020-12-11 | 更新日期: 2025-02-27