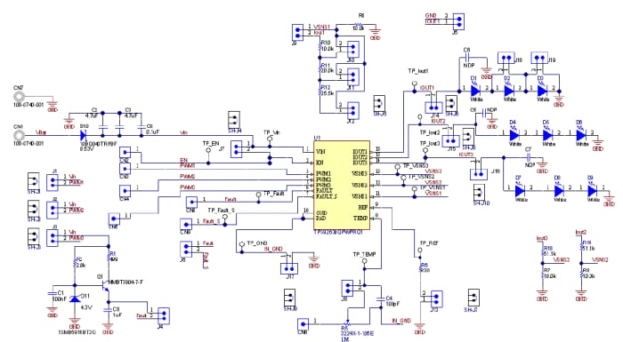
Texas Instruments TPS92630EVM LED Driver Evaluation Module (EVM)
Texas Instruments TPS92630EVM LED Driver Evaluation Module (EVM) helps designers evaluate the operation and performance of the TPS92630-Q1. The evaluation module facilitates the evaluation of the TPS92630-Q1 in a typical LED application. The evaluation module contains a TPS92630-Q1 integrated circuit (IC), supporting passive components, and three OSRAM LEDs in series per channel, the total includes 3 channels. It is designed and well suited for driving multiple strings of red LEDs or a single string of white LEDs up to a medium power range.Features
- 3 Channel LED driver with analog and PWM dimming
- 5V – 40V Wide input voltage range
- Max. Current: 150mA per channel, 450mA in parallel operation mode
- Single LED short comparator with fixed internal voltage reference per channel
- Fault pin for open, short, and thermal shutdown failure reporting, allowing parallel bus connection up to 10 devices
Schematic
發佈日期: 2016-04-01
| 更新日期: 2025-03-06
