Texas Instruments TPS92664-Q1 16-Channel LED Matrix Manager
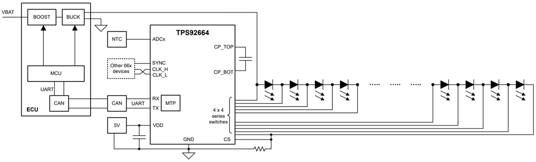
Texas Instruments TPS92664-Q1 16-Channel LED Matrix Manager enables fully dynamic adaptive lighting solutions by providing individual pixel-level LED control. The device includes four sub-strings of four series-connected integrated switches for bypassing individual LEDs. The individual sub-strings allow the device to accept either single or multiple current sources.The TPS92664-Q1 features an internal oscillator. The internal oscillator can be shared with other system devices through the internal low-noise LVDS transmitter and receiver blocks. The multi-drop, universal asynchronous receiver transmitter (UART) serial interface is compatible with TPS92665, TPS92667, TPS92662x, and TPS92663x devices. The internal EEPROM can store system defaults and calibration and lighting module data. An onboard ADC with multiplexed inputs samples all LED channels, IC die temperature, and an LED current sense. The ADC also samples dedicated ADC inputs for use with system temperature compensation, LED binning, and coding.
The Texas Instruments TPS92664-Q1 incorporates registers for programming phase shift and pulse width of each individual LED in the string and for reporting LED open, short faults, and functional parameters.
Features
- AEC-Q100 qualified for automotive applications
- –40°C to 125°C ambient temperature grade 1
- Device HBM classification level H1C
- Device CDM classification level C5
- Functional safety-compliant
- Developed for functional safety applications
- Documentation available to aid ISO 26262 system design up to ASIL B
- 16 integrated bypass switches
- Programmable 10-bit PWM dimming
- Programmable slew rate control
- LED open detection and protection
- Single LED short detection
- UART serial communication
- Internal oscillator for system clock
- LVDS clock driver for synchronizing devices
- Previous LMM generation compatible
- CAN transceiver compatible
- Integrated ADC
- LED voltage for each switch
- LED current monitor
- Die temperature
- 2x general ADC inputs (thermistor compatible)
- Internal EEPROM (MTP)
- Failsafe default settings
- Customer calibration data
Applications
- Automotive headlight systems
- ADB or glare-free high beam
- Sequential turn, animated daytime running lights
Simplified Application
