Texas Instruments TPSM8287A1xM DC/DC Power Modules
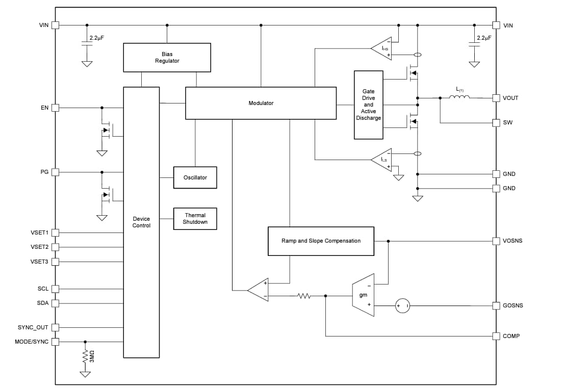
Texas Instruments TPSM8287A1xM DC/DC Power Modules combine differential remote sensing and an I2C interface. The TPSM8287A1xM pin-to-pin DC/DC power modules integrate a synchronous step-down converter, an inductor, and input capacitors to simplify design, reduce external components, and conserve PCB area. The low-profile and compact format is developed for assembly by standard surface mount equipment.The TI TPSM8287A1xM facilitates an enhanced control scheme that supports fast transients. The devices perform in fixed-frequency or power-save mode. The remote sensing characteristic optimizes voltage regulation at the point-of-load, and the device reaches ±1.0% DC voltage accuracy over the entire temperature range. The devices can operate in stacked, paralleled modes to produce higher output currents or to spread the power dissipation across multiple devices. The I2C-compatible interface provides several control, monitoring, and warning features. The start-up voltage is selectable through the VSETx pins to enable a power-up without an active I2C communication.
Features
- -55°C to +125°C operating temperature range
- Differential remote sensing
- Five selectable I2C addresses through VSETx pins
- Adjustable external compensation for wide output capacitor range and optimized transient response
- Designed for low EMI requirements
- No bond wire package
- Internal input capacitors
- Simplified layout through a parallel input path
- Optional synchronization to an external clock or spread-spectrum operation
- ±1.0% output voltage accuracy
- Parallelable for multi-phase operation
- Start-up output voltage selectable in 50mV steps from 0.40V to 3.35V through VSETx pins and I2C adjustable in 1.25mV steps
- Power save mode or forced-PWM operation
- Precise enable input threshold
- Power-good output with window comparator
- Active output discharge
- Excellent thermal performance
- 4.5mm x 6.8mm QFN package with 0.5mm pitch
- 77mm2 design size
Applications
- Aircraft electrical power
- Defense radio
- Seeker front end
- Radar
- Rail transport
Simplified Schematic
Functional Block Diagram
發佈日期: 2024-12-11
| 更新日期: 2025-05-29
