特點
- 供應範圍2.3V至5.5V
- 差分2:1或1:2開關/多工器或彈性雙路單端交叉開關
- 通用腳位具備0V至20V (TS5USBC410) 和24V (TS5USBC412) 的過電壓保護 (OVP)
- VCC = 0V時的關機保護
- 低RON,最高9Ω
- 頻寬典型值1.1 GHz (TS5USBC410) 和1.2 GHz (TS5USBC412)
- CON典型值2.7 pF (TS5USBC410) 和2.5 pF (TS5USBC412)
- 低功率停用模式
- 1.8V相容邏輯輸入
- ESD保護標準高於JESD 22
- 2000V人體放電模式 (HBM)
- TS5USBC410和TS5USBC412:標準溫度範圍0°C至70°C
- TS5USBC410I和TS5USBC412I:工業級溫度範圍-40°C至85°C
- 小尺寸DSBGA封裝
應用
- 行動裝置
- 個人電腦/筆記型電腦
- 平板電腦
- 任何使用USB Type-C™或Micro-B連接器的應用
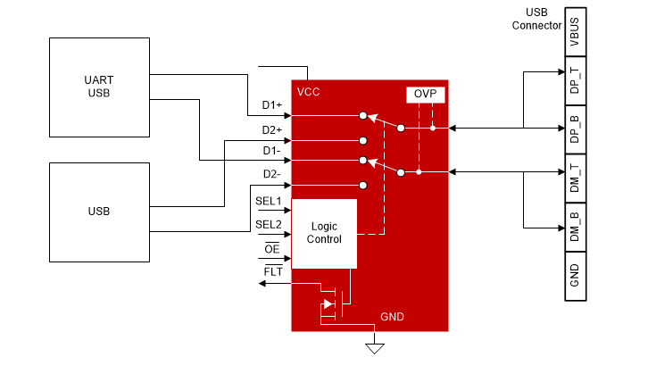
方塊圖
發佈日期: 2018-07-17
| 更新日期: 2022-12-07

