Texas Instruments TUSB322I USB Type-C™ Configuration Control
Texas Instruments TUSB322I USB Type-C™ Configuration Channel Logic and Port Control enable USB Type-C ports with the configuration channel (CC) logic needed for Type-C ecosystems. The TUSB322I uses the CC pins to determine port attach and detach, cable orientation, role detection, and port control for Type-C current mode. The device can be configured as a downstream facing port (DFP), upstream facing port (UFP), or a dual role port (DRP). This makes it ideal for any application. The TUSB322I alternates configuration as a DFP or UFP according to the Type-C specifications.Features
- USB Type-C™ specification 1.1
- Backward compatible with USB Type-C specification 1.0
- Supports up to 3A of current advertisement and detection
- Mode configuration
- Host only – DFP/Source (I2C Mode only)
- Device only – UFP/Sink (I2C Mode only)
- Dual role port – DRP
- Channel Configuration (CC)
- Attach of USB port detection
- Cable orientation detection
- Role detection
- Type-C Current mode (Default, medium, high)+u
- VBUS Detection
- I2C or GPIO control
- VCONN support for active cables
- Cable detection and direction control for external switches
- Role configuration control through I2C
- 4.5V to 5.5V Supply voltage
- Low current consumption
- Industrial temperature range of –40 to 85°C
Applications
- Host, device, dual role port applications
- Mobile phones
- Tablets and notebooks
- USB peripherals
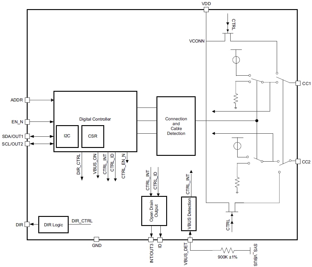
Functional Block Diagram
發佈日期: 2016-04-01
| 更新日期: 2022-03-11
