Toshiba TB67B054TG Brushless Motor Controller
Toshiba TB67B054TG Brushless Motor Controller is a PWM three-phase full wave device. This brushless motor controller is developed for three-phase brushless DC motors of motor fans. The TB67B054TG motor controller features a triangular wave generator which provides a carrier frequency necessary for PWM generation. This motor controller operates at a typical 15V supply voltage and an oscillation frequency of 4.5MHz. The TB67B054TG motor controller also features an internal voltage regulator circuit with a 5V output and 30mA output current.Features
- Sine-wave PWM control
- Triangular-wave generator
- Lead angle control (0° to 58° in 32 separate steps)
- Current-limiting input pin
- Internal voltage regulator circuit
Specifications
- 15V typical operating supply voltage
- 6V to 16.5V operating supply voltage range
- 3MHz to 6MHz oscillation frequency
- 4.1W maximum power dissipation
- 5mA typical supply current, 8mA maximum
- 2mA maximum commutation output current
- 10µA maximum output leakage current
- 0.46V to 0.54V current sensing
- 16.2kHz to 22kHz PWM oscillation frequency range
- 89% to 95% maximum conduction duty cycle range
- -30°C to +115°C operating temperature range
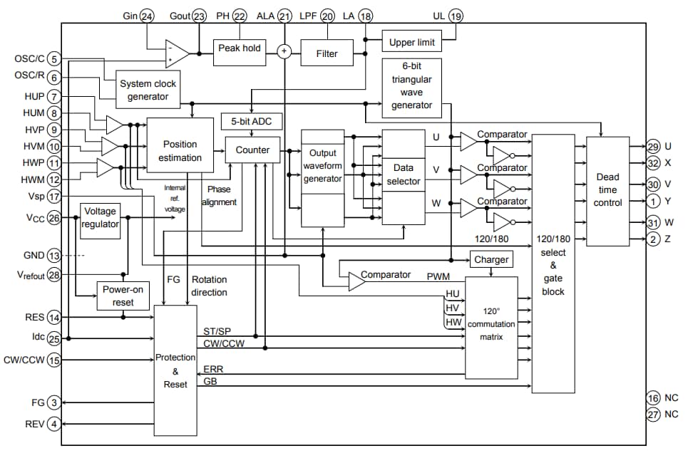
Block Diagram
發佈日期: 2018-04-18
| 更新日期: 2023-02-13
