TRACO Power TEN 30UIR/40UIR DC/DC Railway Converters
TRACO Power TEN 30UIR and TEN 40UIR DC/DC Converters are 30W and 40W full-featured converters featuring ultra-wide 9VDC to 75VDC or 14VDC to 160VDC input ranges for railway and industrial markets. The TEN 30UIR comes in a compact 2 x 1” package, and the TEN 40UIR comes in a 2 x 1.6" package, including a pre-mounted heatsink for extended thermal performance. The TEN 30UIR and TEN 40UIR series are high-performance DC/DC converters with a dedicated holdup capacitor connection to satisfy the hold-up requirements of EN 50155 without bulky input capacitors. A ruggedized package provides resistance against mechanical shock, vibration, and fire to satisfy both EN 61373 and EN 45545-2 standards. The TRACO Power TEN 30UIR and TEN 40UIR DC/DC Converters are EN 50155 certified and IEC/EN/UL 62368-1 approved, making them ideal for rolling stock and other demanding industrial applications.Features
- Compact 2" x 1" housing
- Ultra-wide 12:1 input voltage range
- Dedicated holdup capacitor connection
- Fully encapsulated
- Remote on/off
- Trim function
- Protections
- SCP
- OVP
- OTP
- EN 50155, EN 45545-2, and EN 61373 certified
- Three-year warranty
Specifications
- 9VDC to 160VDC input voltage range
- 5.1VDC to 24VDC nominal output voltage range
- 1000mA to 8000mA output current range
- 10mA to 30mA typical input current at no load
- 100VDC to 200VDC max surge voltage
- 90% typical efficiency
- -40°C to +85°C operating temperature range
- -55°C to +125°C storage temperature range
Videos
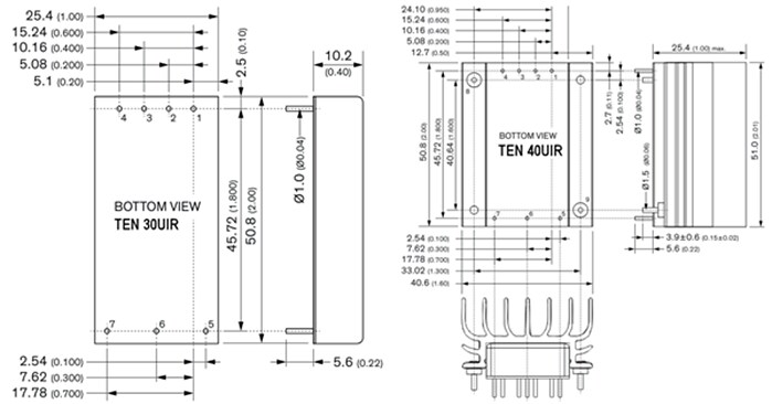
DImensions (mm)
發佈日期: 2024-05-15
| 更新日期: 2025-08-13
