u-blox EVK-JODY-W3 Evaluation Kits

u-blox EVK-JODY-W3 Evaluation Kits utilize the JODY-W3 host-based automotive and professional-grade modules offered with Wi-Fi® 6 and BLUETOOTH® 5.1. The devices are designed for advanced in-car infotainment and connectivity systems. The JODY-W3 Modules use advanced Wi-Fi 802.11ax technology to deliver high data rates for Wi-Fi. The JODY-W3 operates in concurrent dual-band Wi-Fi 2.4GHz and 5GHz, dual-MAC, and in 2x2 MIMO. The device supports Bluetooth 5.1 BR/EDR and LE features, including a 2Mbit/s (PHY) data rate, extended advertising, and long-range.

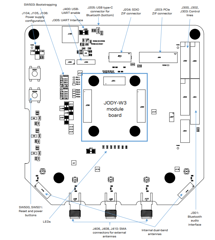
The EVK-JODY-W3 Kit design is split into a module board and a carrier board. The module board includes the JODY-W3 series module and u.FL antenna connectors directly accessing the antenna pins on the module. The bigger carrier board hosts the module board and has all the necessary connectors for connecting the JODY-W3 series module to the host system.

The u-blox EVK-JODY-W3 Evaluation Kits permit an external host processor to access several practical features for testing and evaluating the Wi-Fi and Bluetooth connectivity supported in JODY-W3 series modules, including:

•  External connectors to all host interfaces (PCIe, SDIO, and UART)
•  USB interface to easily access the Bluetooth UART interface via a USB-to-UART bridge
•  Digital and analog audio interfaces for Bluetooth
•  Two internal dual-band 2.4GHz/5GHz antennas for Wi-Fi and Bluetooth
•  Three SMA connectors for external antennas
•  GPIO pins and other module interfaces are accessible through pin headers
•  Multiple power supply options

Features

  • EVK-JODY-W374
    • Two antenna pins for simultaneous dual-band 1x1 2.4GHz and 2x2 5GHz Wi-Fi and Bluetooth 5.1
    • For evaluation of JODY-W374-00A
  • EVK-JODY-W377
    • Three antenna pins for simultaneous dual-band 2x2 2.4GHz/5GHz Wi-Fi and Bluetooth 5.1
    • For evaluation of JODY-W377-00A

Kit Contents

  • Evaluation board (EVB)
  • M.2 PCIe to ZIF adapter
  • Mini-PCIe to ZIF adapter
  • Micro SDIO to ZIF adapter and flat cable
  • Type-C USB cable
  • External antennas

Required Equipment

  • Host (PC or embedded system) with
    • Mini-PCIe or M.2 Key E slot for access to Wi-Fi through the PCIe host interface
    • Micro SDIO slot for access to Wi-Fi through the SDIO host interface
    • USB 2.0 interface for access to the Bluetooth UART interface through USB-to-UART bridge
  • Supported operating systems
    • Linux (3.x/4.x/5.x)
    • Android Pie (9.0.0_2.3.4)

Main Connectors Diagram

u-blox EVK-JODY-W3 Evaluation Kits

Peripheral Connectors

Block Diagram - u-blox EVK-JODY-W3 Evaluation Kits

Jumpers & Connectors

Mechanical Drawing - u-blox EVK-JODY-W3 Evaluation Kits
發佈日期: 2021-07-29 | 更新日期: 2022-03-11