Vishay DGQ405x Analog Multiplexers
Vishay DGQ405x Analog Multiplexers include the DGQ4051E, DGQ4052E, and DGQ4053E high-precision CMOS analog multiplexers. The DGQ4051E is an 8-channel multiplexer, the DGQ4052E is a dual 4-channel multiplexer, and the DGQ4053E is a triple 2-channel multiplexer or triple SPDT. The DGQ405x offers low leakage, parasitic capacitance, and low charge injection of 0.3pC over the entire voltage range. These devices are ideal for high-precision signal switching and multiplexing.Created to operate from a 3V to 16V single supply or from a ±3V to ±8V dual supply, the Vishay DGQ405x are fully specified at 3V, 5V, 12V, and ±5V. All control logic inputs ensure a 2V logic high limit when operating from 5V or ±5V supplies and 1.4V from a 3V supply. All switches conduct equally well in both directions, offering rail-to-rail analog signal switching, and can be used both as multiplexers and de-multiplexers.
The DGQ4051E, DGQ4052E, and DGQ4053E have an operating temperature of -40°C to +125°C and are available in a 16-pin TSSOP package.
Features
- Automotive product AEC-Q100 qualified (Grade 1)
- Specified from -40°C to +85°C and from -40°C to +125°C
- 3V to 16V single supply or ±3V to ±8V dual supply operation
- Low parasitic capacitance:
- CD(ON) at 8.5pF typ. (DGQ4053E)
- CS(OFF) at 2.0pF typ. (DGQ4053E)
- Less than 0.3pC charge injection over the full signal swing range
- <50pA, typ. low leakage
- 35ns, typ. fast switching tON
- 3V logic compatible for control
- Bi-directional rail-to-rail signal switching
Applications
- Automotive battery management systems
- Automotive infotainment and telematics
- Automotive analog and digital signal multiplexing/demultiplexing
Specifications
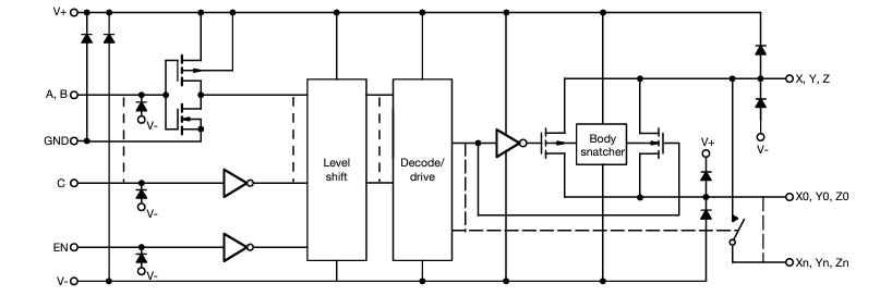
BLOCK DIAGRAM & PIN CONFIGURATION
SCHEMATIC
發佈日期: 2024-10-31
| 更新日期: 2024-11-15
