Vishay IL300 Linear Optocoupler

Vishay IL300 Linear Optocoupler offers a wide 200kHz bandwidth, 130dB Common Mode Rejection (CMR), and high gain stability. The IL300 Optocoupler consists of a high-efficiency AlGaAs LED emitter coupled to two independent PIN photodiodes. The servo photodiode provides a feedback signal which controls the current to the LED emitter. This photodiode provides a photocurrent that is directly proportional to the LED’s incident flux. This servo operation linearizes the LED's output flux and eliminates the LED's time and temperature dependency. The galvanic isolation between the input and the output is provided by a second PIN photodiode located on the output side of the coupler. The output current from this photodiode accurately tracks the photocurrent generated by the servo photodiode.

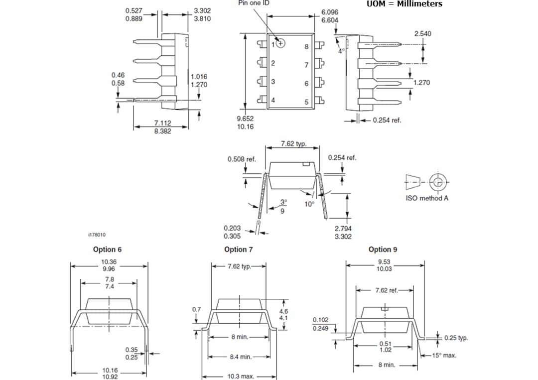
The Vishay IL300 Linear Optocoupler is offered in compact DIP-8, DIP-8 (400mil), and SMD-8 packages with a -55°C to +100°C operating temperature range.

Features

  • Couples AC and DC signals
  • 0.01% servo linearity
  • Wide >200kHz bandwidth
  • High ±0.005%/°C (typical) gain stability
  • Low input-output capacitance
  • Low <15mW power consumption
  • 4420VRMS isolation rated voltage 
  • >0.4mm internal insulation distance

Applications

  • Power supply feedback voltage / current
  • Medical sensor isolation
  • Audio signal interfacing
  • Isolated process control transducers
  • Digital telephone isolation

Specifications

  • Input
    • 160mW power dissipation (Pdiss)
    • 2.13mW/°C derate linearly from 25°C
    • 60mA forward current (IF)
    • 250mA surge current (IPK)
    • 5V reverse voltage (VR)
    • 470K/W thermal resistance (Rth)
  • Output
    • 50mW power dissipation (Pdiss)
    • 0.65mW/°C derate linearly from 25°C
    • 50V reverse voltage (VR)
    • 1500K/W thermal resistance (Rth)
  • Coupler
    • 210mW total package dissipation at 25°C (Ptot)
    • 2.8mW/°C derate linearly from 25°C
  • Physical characteristics
    • 100°C junction temperature (Tj)
    • -55°C to +150°C storage temperature (Tstg)
    • -55°C to +100°C operating temperature (Tamb)
    • DIP-8, DIP-8 (400mil), and SMD-8 package options
  • Agency approvals
    • UL
    • cUL
    • DIN EN 60747-5-5 (VDE 0884-5) available with option 1
    • BSI
    • FIMKO
    • CQC

Schematic & Package Options

Schematic - Vishay IL300 Linear Optocoupler

Package Dimensions

Mechanical Drawing - Vishay IL300 Linear Optocoupler
發佈日期: 2021-03-26 | 更新日期: 2022-03-11