WeEn Semiconductors BYQ60W-600PT2 Ultrafast Power Diode

WeEn Semiconductors BYQ60W-600PT2 Ultrafast Power Diode is designed to provide fast switching and soft reverse recovery characteristics. This power diode incorporates low forward voltage drop and low leakage current. The BYQ60W-600PT2 diode is capable of reducing switching losses in associated MOSFETs or IGBTs. This ultrafast power diode is available in a TO247-2L plastic package with a high operating temperature capability (Tj (max) = 175°C). Typical applications include UPS, EV chargers, welding machines, and air conditioners.

Features

  • Fast switching and soft reverse recovery characteristics
  • Low forward voltage drop
  • Low leakage current
  • Low reverse recovery current
  • Reduces switching losses in associated MOSFET or IGBT
  • High operating temperature capability (Tj (max) = 175°C)

Applications

  • UPS
  • EV chargers
  • Welding machines
  • Air conditioners

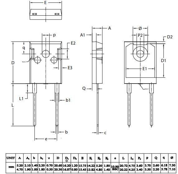
Mechanical Drawing

Mechanical Drawing - WeEn Semiconductors BYQ60W-600PT2 Ultrafast Power Diode
發佈日期: 2021-02-18 | 更新日期: 2022-03-11