Wolfspeed YM Six-Pack Silicon Carbide Power Modules
Wolfspeed YM Six-Pack Silicon Carbide Power Modules are automotive-qualified modules that are designed for seamless design integration and durability. These modules streamline silicon carbide integration into commercial, construction, and agricultural vehicle traction systems with the industry-standard footprint and advanced packaging technology. The YM six-pack modules feature an optimized power terminal layout that reduces package inductance, enabling reduced overshoot voltage and ultra-low switching loss. Typical applications include automotive traction inverters, hybrid electric vehicles, motor drives, renewable energy, auxiliary power supplies, commercial, construction, and agricultural vehicles.The YM Six-Pack Silicon Carbide Power Modules are available in various current ratings up to 1200V / 650A. These YM modules meet the AQG-324 automotive power module standard. The YM six-pack power modules' direct-cooled pin-fin baseplate enhances thermal performance, while press-fit pins simplify assembly.
Features
- Fully SiC MOSFET-based for ultra-low loss
- 1200V blocking voltage
- 330A, 460A, or 600A nominal current options
- 2.1mΩ, 2.8mΩ, or 4.3mΩ RDS(on) at +25°C
- Comparative Tracking Index (CTI) >600V for material group I
- 6.6nH extremely low power loop inductance
- Direct-cooled pin fin baseplate
- Industry-standard footprint
- Press-fit connection for ease of assembly
- Integrated NTC temperature sensors
- High-performance Si3N4 insulator
- Ultra-reliable interconnect technologies
- AQG-324 qualification
Applications
- Automotive traction inverters
- Commercial, construction, and agricultural vehicles
- Hybrid electric vehicles
- E-mobility and motor drives
- Auxiliary power supplies
- Renewable energy
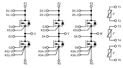
Schematic and Pin Out
發佈日期: 2025-04-30
| 更新日期: 2026-03-10
